【導讀】 ADC輸入的過驅一般發生于驅動放大器電軌遠遠大于ADC最大輸入范圍時,例如,放大器采用±15 V供電,而ADC輸入為0至5V。高壓電軌用于接受±10 V輸入,同時給ADC前端信號調理/驅動級供電,這在工業設計中很常見,PLC模塊就是這種情況。如果在驅動放大器電軌上發生故障狀況,則可因超過最大額定值而損壞ADC,或在多ADC系統中干擾同步/后續轉換。
在設計ADC電路時,一個常見的問題是“如何在過壓條件下保護 ADC輸入”,那么
在過壓情形中可能出現哪些問題呢?
發生的頻率又是怎樣的呢?
有木有潛在的補救措施呢?
……
針對上述問題,讓我們進行一次深入分析吧!
ADC輸入的過驅一般發生于驅動放大器電軌遠遠大于ADC最大輸入范圍時,例如,放大器采用±15 V供電,而ADC輸入為0至5V。高壓電軌用于接受±10 V輸入,同時給ADC前端信號調理/驅動級供電,這在工業設計中很常見,PLC模塊就是這種情況。如果在驅動放大器電軌上發生故障狀況,則可因超過最大額定值而損壞ADC,或在多ADC系統中干擾同步/后續轉換。
這里討論的重點雖然是如何保護精密SAR ADC,如AD798x系列,但是,這些保護措施同樣適用于其他 ADC類型哦~
試考慮圖1中的情形。

圖1. 精密ADC設計的典型電路圖
上圖電路代表AD798X(例如AD7980)系列PulSAR® ADC中的情形。輸入端、基準電壓源和接地之間存在保護二極管。這些二極管能夠處理最高130mA的大電流,但僅能持續數毫秒,不適用于較長時間或重復過壓。在一些產品上,例如AD768X/AD769x(如 AD7685、AD7691)系列器件,保護二極管連接至VDD引腳而不是 REF。在這些器件上,VDD電壓始終大于或等于REF。一般而言,此配置更有效,因為VDD是更穩定的箝位電軌,對干擾不敏感。
圖1中,如果放大器趨向+15 V電軌,則連接至REF的保護二極管將開啟,放大器將嘗試上拉REF節點。如果REF節點未通過強驅動器電路驅動,則REF節點(及輸入)的電壓將升至絕對最大額定電壓以上,一旦電壓在該過程中超過器件的擊穿電壓, ADC可能受損。圖3舉例說明了ADC驅動器趨向8 V而使基準電壓 (5 V)過驅的情況。許多精密基準電壓源無灌電流能力,這在此情形中會造成問題。或者,基準驅動電路非常強勁,足以將基準電壓保持在標稱值附近,但仍將偏離精確值。
在共用一個基準電壓源的同步采樣多ADC系統中,其他ADC上的轉換不精確,因為該系統依賴于高度精確的基準電壓。如果故障狀況恢復時間較長,后續轉換也可能不精確。
緩解此問題有幾種不同方法。最常見的是使用肖特基二極管(BAT54系列),將放大器輸出鉗位在ADC范圍。相關說明詳見圖2和圖3。如果適合應用需求,也可使用二極管將輸入箝位在放大器。

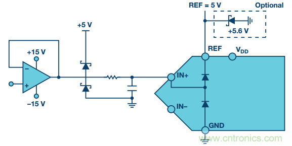
圖2. 精密ADC設計的典型電路圖
(添加了肖特基二極管和齊納二極管保護)
在此情況中,之所以選擇肖特基二極管,是因為其具有低正向導通壓降,可在ADC內的內部保護二極管之前開啟。如果內部二極管部分開啟,肖特基二極管后的串聯電阻也有助于將電流限制在ADC內。對于額外保護,如果基準電壓源沒有/幾乎沒有灌電流能力,則可在基準節點上采用齊納二極管或箝位電路,以保證基準電壓不被過度拉高。在圖2中,為5V基準電壓源使 用了5.6V齊納二極管。

圖3. 黃色 = ADC輸入,
紫色 = 基準電壓源。
左側圖像未添加肖特基二極管,
右側圖像添加了肖特基二極管

圖4. 黃色 = ADC輸入,
綠色 = ADC驅動器輸入,
紫色 = 基準電壓源(交流耦合)
左側圖像未添加肖特基二極管,
右側圖像添加了肖特基二極管(BAT54S)
圖4中的示例顯示了以正弦波使ADC輸入過驅時,給ADC輸入添加肖特基二極管后對基準輸入(5 V)的影響。肖特基二極管接地,5 V系統電軌能夠吸電流。如果沒有肖特基二極管,當輸入超過基準電壓和地電壓一個壓降時,就會出現基準電壓源干擾。從圖中可看到,肖特基二極管完全消除了基準電壓源干擾。
需要注意肖特基二極管的反向漏電流,此電流在正常運行期間可引入失真和非線性。該反向漏電流受溫度影響很大,一般在二極管數據手冊中指定。BAT54系列肖特基二極管是不錯的選擇(25°C時最大值為2μA,125°C時約100μA)。
完全消除過壓問題的一種方式是為放大器使用單電源電軌。這意味著,只要為基準電壓(最大輸入電壓)使用相同電源電平(本例中為5V),驅動放大器就絕不會擺動至地電壓以下或最大輸入電壓以上。如果基準電路具有足夠的輸出電流和驅動強度,則可直接用來為放大器供電。圖5中顯示了另一種可能性,也就是使用略低的基準電壓值(例如,使用5 V電軌時為 4.096 V),從而顯著降低電壓過驅能力。

圖5. 單電源精密ADV設計的典型電路圖
這些方法可解決輸入過驅的問題,但代價是ADC的輸入擺幅和范圍受限,因為放大器存在上裕量和下裕量要求。通常,軌到軌輸出放大器可在電軌十幾mV內,但也必須考慮輸入裕量要求,可能為1 V或更高,這會將擺幅進一步限制在緩沖器和單位增益配置內。該方法提供了最簡單的解決方案,因為不需要額外保護元件,但依賴正確的電源電壓,可能還需要軌到軌輸入/輸出(RRIO)放大器。
放大器與ADC輸入之間的RC濾波器中的串聯R也可用于在過壓狀況期間限制ADC輸入處的電流。不過,使用此方法時需要在限流能力與ADC性能做出取舍。較大的串聯R提供較佳的輸入保護,但會導致ADC性能出現較大失真。如果輸入信號帶寬較低,或者ADC不在滿吞吐速率下運行,這種取舍可行,因為此情況下串聯R可以接受。應用可接受的R大小可通過實驗方式確定。
如上文所述,保護ADC輸入沒有成法,但根據應用要求,可采用不同的單獨或組合方法,以相應的性能取舍提供所需的保護水平。
(來源:亞德諾半導體)
(來源:亞德諾半導體)
免責聲明:本文為轉載文章,轉載此文目的在于傳遞更多信息,版權歸原作者所有。本文所用視頻、圖片、文字如涉及作品版權問題,請電話或者郵箱聯系小編進行侵刪。


