- 探究耦合電感SEPIC轉換器的優勢
- 兩種電路的測量效率
- 原型 SEPIC 電氣規范
- 使用64W 輸出功率車載輸入電壓范圍
- 使用耦合電感的 SEPIC
- 利用一個耦合電感或者兩個非耦合電感
端初級電感轉換器 (SEPIC) 能夠通過一個大于或者小于調節輸出電壓的輸入電壓工作。除能夠起到一個降壓及升壓轉換器的作用以外,SEPIC 還具有最少的有源組件、一個簡易控制器和鉗位開關波形,從而提供低噪聲運行。看是否使用兩個磁繞組,是我們識別 SEPIC 的一般方法。這些繞組可繞于共用鐵芯上,其與耦合雙繞組電感的情況一樣,或者它們也可以是兩個非耦合電感的單獨繞組。設計人員通常不確定哪一種方法最佳,以及兩種方法之間是否存在實際差異。本文對每種方法進行研究,并討論每種方法對實際 SEPIC 設計產生的影響。
電路運行
圖 1 顯示了耦合電感的基本 SEPIC。當FET (Q1) 開啟時,輸入電壓施加于初級繞組。由于繞組比為 1:1,因此次級繞組也被施加了一個與輸入電壓相等的電壓;但是,由于繞組的極性,整流器 (D1) 的陽極被拉負,并被反向偏置。整流器偏頗關閉,要求輸出電容在這種“導通”時間期間支持負載,從而強迫 AC電容 (CAC) 充電至輸入電壓。Q1 開啟時,兩個繞組的電流為 Q1 到接地,而次級電流流經 AC 電容。“導通”時間期間總 FET 電流為輸入電流和輸出次級電流的和。
FET 關閉時,繞組的電壓反向極性,以維持電流。整流器導電向輸出端提供電流時,次級繞組電壓現在被鉗位至輸出電壓。通過變壓器作用,它對初級繞組的輸出電壓進行鉗位。FET 的漏極電壓被鉗位至輸入電壓加輸出電壓。FET“關閉”時間期間,兩個繞組的電流流經 D1 至輸出端,而初級電流則流經 AC 電容。
伏-微秒平衡
耦合電感由兩個非耦合電感代替時,電路運行情況類似。要讓電路正確運行,必須在每個磁芯之間維持伏-微秒平衡。也就是說,對于兩個非耦合電感而言,在FET“導通”和“關閉”時間期間,每個電感電壓和時間的積必須大小相等,而極性相反。通過代數方法表明,非耦合電感的 AC 電容電壓也被充電至輸入電壓。在 FET“關閉”時間期間,輸出端電感被鉗位至輸出電壓,其與耦合電感的次級繞組一樣。在 FET“導通”時間期間,AC 電容在電感施加一個與輸入電壓相等但極性相反的電勢。每間隔時間,對電感定義電壓進行鉗位,這樣伏-微秒平衡便決定了占空比 (D) 的大小。其在連續導通模式 (CCM) 運行時,可簡單表示為:
FET 導通時,施加于輸入端電感的電壓等于輸入電壓。FET關閉時,伏-微秒平衡通過鉗位其 VOUT 來維持。記住,FET 導通時,輸入電壓施加于兩個電感;FET 關閉時,輸出電壓施加于兩個電感。兩個非耦合電感 SEPIC 的電壓和電流波形,與耦合電感版本的情況非常類似,以至于很難分辨它們。
兩個還是一個?
如果 SEPIC 類型之間確實存在少許的電路運行差異的話,那么我們應該使用哪一種呢?我們通常選擇使用耦合電感,是因其更少的組件數目、更佳的集成度以及相對于使用兩個單電感而言更低的電感要求。然而,高功率現貨耦合電感有限的選擇范圍,成為擺在廣大電源設計人員面前的一個難題。如果他們選擇設計其自己的電感,則必須規定所有相關電參數,并且必須面對更長的交貨時間問題。耦合電感 SEPIC 可受益于漏電感,其可降低 AC 電流損耗。耦合電感必須具有 1:1 的匝數比,以實施伏-微秒平衡。選擇使用兩個單獨的非耦合電感,一般可以更廣泛地選擇許多現貨組件。由于并不要求每個電感的電流和電感完全相等,因此可以選擇使用不同的組件尺寸,從而帶來更大的靈活性。
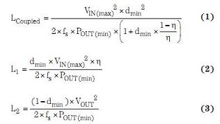
方程式 1 到 3 表明了耦合電感和非耦合電感的電感計算過程。

方程式計算得到最大輸入電壓和最小負載時 CCM 運行所需的最小電感。50% 占空比運行(VIN 等于 VOUT 時出現)和統一效率條件下,比較這些方程式可知,方程式 1 中耦合電感的計算值是非耦合電感計算值的兩倍。由于轉換器肯定會有損耗,而大多數輸入電壓源均有很大不同,因此這種簡化了的電感泛化一般為錯誤的;但它通常足以應付除極端情況以外的所有情況。它一般意味著,轉換器會比預期稍快一點進入非連續導通模式 (DCM) 運行,其在大多數情況下仍然可以接受。如前所述,使用非耦合電感時,正如我們通常假設的那樣,無需輸出端電感的值與輸入端電感一樣;但是為了簡單起見肯定會這樣做。利用 VOUT/VIN 調節輸入端電感,便可確定輸出端電感值。使用更小值輸出端電感的好處是,它一般尺寸更小而且成本更低。
[page]
實例設計
“表 1”所示規范為設計比較的基礎。第一個設計使用一個耦合電感,而第二個則使用兩個非耦合電感。
表 1 原型 SEPIC 電氣規范

使用一個耦合電感的設計是典型的 64W 輸出功率車載輸入電壓范圍。方程式1表明,耦合電感要求 12 µH 的電感,以及 13 A 的組合電流額定值(基于 IIN + IOUT)。這種設計特別具有挑戰性,因為現貨電感選擇范圍有限。因此,我們指定并設計了 Renco 自定義電感。該電感纏繞在一個分離式線軸上以產生漏電感,旨在最小化能夠引起損耗的循環 AC 電流。產生這些損耗的因為,施加在漏電感的 AC 電容紋波電壓。若想實施低功耗設計,Coilcraft(MSS1278 系列)和Coiltronics(DRQ74/127 系列)的耦合電感均是較好的現貨產品。
就非耦合電感設計而言,33-µH Coilcraft SER2918用于L1,而22-µH Coiltronics HC9 則用于 L2。它們的選擇均基于繞組電阻、額定電流和尺寸。選擇電感時,設計人員必須注意還要考慮鐵芯和 AC 繞組損耗。這些損耗可降低電感的有效DC電流,但并非所有廠商都提供計算所需的全部信息。錯誤的計算結果,會大大增加鐵芯溫度,使其超出典型的 40°C 溫升。它還會降低效率,并且加速過早失效現象的出現。

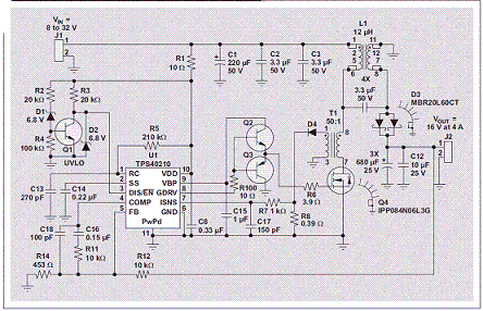
圖 2 使用耦合電感的 SEPIC(4A 時 16V)
圖 2 顯示了使用一個耦合電感的原型 SEPIC的示意圖。若想在設計中實施非耦合電感,只需在相同 PWB 上用兩個電感替換耦合電感便可。圖 3 顯示了兩種原型電路。圖 3b 中,L1 占用了耦合電感的空間,而 L2 則位于右上角。
[page]
正如預計的那樣,兩個電路以一種近乎完全一樣的方式工作,且開關電壓和電流波形實質相同。但在性能方面存在一些重要的差異。耦合電感設計的控制環路相當良性,而非耦合電感設計則在最初時候出現不穩定。環路增益測量表明,高 Q、低頻諧振是罪魁禍首,其要求添加一個 R/C 阻尼濾波器與 AC 電容并聯。極大簡化時,諧振頻率似乎約為:


圖 3 SEPIC 原型
SEPIC 電路具有非常復雜的控制環路特性,同時由于分析結果的解釋一般較為困難,因此必需使用一些數學工具來進行具體分析。添加這種 R/C 阻尼濾波器(220 µF/2Ω)會增加成本、電路面積和損耗。相比一個單耦合電感,使用兩個非耦合電感會使面積增加 10%。
圖 4 顯示了兩種電路的測量效率。我們可以看到,耦合電感設計的效率增加多達 0.5%。這可能是由于耦合電感設計的總鐵芯損耗更低,因為其 DC 接線損耗實際高于使用非耦合電感的設計。L2 使用一種粉狀鐵芯材料,其往往具有比L1 和自定義 Renco 耦合電感所用鐵氧體材料更高的損耗。盡管使用了 L2 的鐵氧體材料,但其會導致更大的面積。

圖 4 耦合和非耦合電感均獲得了較好的效率
結論
利用一個耦合電感或者兩個非耦合電感,均能成功實施SEPIC。更高的效率、更小的電路面積以及更良性的控制環路特性,這些都是使用正確纏繞的自定義耦合電感時原型硬件所帶來的好處。自定義組件沒有現貨器件那么理想,而許多耦合電感隨處可以購買到,且尺寸更小。如果產品上市場時間至關重要,則非耦合電感可為設計人員帶來更大的靈活性。




