【導讀】為降壓穩壓器設計補償網絡十分單調乏味,而且可能需要多次迭代以優化方案。具備優化的控制回路,以實現快速瞬態響應,同時保持適當的穩定性,這已成為新興應用(如ADAS)及其快速瞬態響應需求面臨的主要挑戰。具有內部補償網絡的降壓穩壓器此時應運而生,解決了這個難題并簡化了設計過程。不過,盡管內部補償網絡帶來很多益處,降壓穩壓器仍然需要一些調整來提高外部的瞬態性能。其面臨的最主要挑戰是如何評估內部補償網絡,確保它適合特定的應用。本文將對如何評估內部補償網絡提供指導。
峰值電流模式降壓穩壓器
峰值電流模式 (PCM) 控制是降壓穩壓器常用的控制方法。與電壓模式 (VM) 控制相比,PCM 控制具備的優勢已經得到確認。圖 1 顯示了 PCM 降壓穩壓器的應用原理圖和典型波特圖。
圖1: PCM 降壓穩壓器原理圖和波特圖
圖 1 中的兩個功率級極點頻率可以分別通過公式 (1) 和公式 (2) 計算:
其中Ri 可通過公式(3)來計算:
而Km可以用公式(4)計算,假設D = 0.5(D 代表占空比):
PCM 控制降壓穩壓器(ωZ)中的 ESR 零點頻率可以用公式 (5) 計算:
典型II 類補償網絡
圖 2 顯示了典型的 II 類補償網絡。II 類補償為系統增加了一個零點 (COMP-Z) 和一個極點 (COMP-P)。COMP-Z 和 COMP-P 的頻率可以根據系統給出的無源元件計算得出(參見圖 2、公式 6和公式7)。請注意,由極點/零點引起的角度/相位和斜率/幅度都將在極點/零點頻率的10% 處開始變化,并在極點/零點頻率的10倍處達到最大值。
圖2: II類補償網絡和零點/極點位置
COMP-Z 的頻率可以用公式 (6) 計算:
COMP-P 的頻率可以用公式 (7) 計算:
降壓穩壓器的瞬態性能通過兩個指標來評估。一是系統帶寬 (BW),二是系統相位裕度 (PM)。BW 越高,瞬態響應越快;而PM 越高,系統越穩定、越安靜。但在實際中,提高BW 會降低PM,反之亦然。這意味著我們必須在BW和PM之間進行權衡。要在降壓穩壓器中獲得合適的BW 以及可接受的PM和噪聲水平,BW為開關頻率(fSW)的10% 會較為合理。
內部補償網絡評估指南
基于上一節的討論,我們假設目標帶寬可以用公式 (8) 來計算:
要得到最大PM,補償網絡零點 (COMP-Z) 需要在 BW 頻率處提供最大相位提升。理論上,由零點引起的正相位在其頻率的 10 倍處達到最大值。因此,應將COMP-Z 設置在BW 頻率的 10% 至 20%之間。這個范圍考慮到了系統中的任何附加寄生效應。COMP-Z 頻率和 BW 頻率之間的關系可以用公式(9)來表示:
為了在較高頻率下獲得適當的噪聲衰減,補償網絡極點 (COMP-P) 頻率必須大約為 fSW/2。假設開關頻率為1MHz,則 COMP-P必須接近fSW/2和輸出電容器 ESR 零點頻率二者當中較小的值,我們可以用公式 (5)來估算。
這里有一個需要考慮的重要實用技巧,即,除非 COUT 是具有高 ESR 的電解電容,否則fSW/2將產生最主要的影響,而 COMP-P則取決于該值。因此,我們用公式 (10) 來估算COMP-P:
由于 COMP-Z 和 COMP-P 都基于開關頻率定義,利用這兩個等式可以得出第三個要求,即CCOMP和CHF之間的關系,用公式(11)表示如下:
有了這三個基本要求,就可以根據應用的開關頻率來評估內部補償網絡的性能了。
具有可配置開關頻率的器件
類似的方法也可用于具有可配置開關頻率的器件,只是還需要考慮以下兩個關鍵點:
1. 根據最小可配置開關頻率設置COMP-Z。
2. 根據最大可配置開關頻率設置COMP-P。
COMP-Z 是根據最小可配置開關頻率設置的,因為隨著開關頻率的增加,電感器尺寸會成比例地縮小。觀察PCM 降壓穩壓器功率級中的第二個極點(由公式2表示)可以發現,極點頻率 (ω_L)隨著電感 (L) 的降低而增大。隨著 ωL 的增大,由該極點引起的相位延遲也被進一步推離 BW 頻率。由該極點引起的負相位減少導致系統整體相位的增加,繼而導致系統PM增加。
因此,如果根據最小可配置開關頻率設置 COMP-Z,則相位裕度 (PM) 將隨著開關頻率的增大而增加。
與 COMP-Z 不同,COMP-P 頻率是根據最大可配置開關頻率設置的。如前所述,由極點引起的幅度/角度在該極點頻率的 10% 處開始下降。假設fCOMP-P是根據最小開關頻率設置的,則如果器件配置為在最大開關頻率下運行,則由fCOMP-P(從 0.1 x fCOMP-P處開始生效)導致的相位降低將發生在其 BW 之內。通常不建議這樣做,因為它會在 BW 內產生另一個極點。由于 II類補償網絡中只有一個零點可用,所以無法補償該極點。因此,必須根據器件的最大開關頻率來設置 COMP-P 頻率。
案例研究- MPQ4430
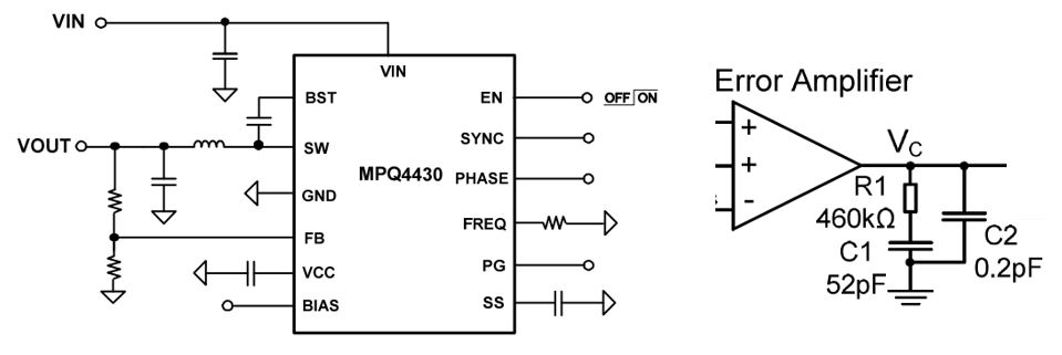
我們通過一個真實案例來說明以上原則。MPS 的MPQ4330是一款 36V、3.5A同步降壓變換器,它內部集成MOSFET和補償網絡。圖 3顯示了MPQ4430 的典型應用原理圖和內部補償網絡。其開關頻率通過FREQ 引腳上的電阻器設置。根據電阻值的設置,MPQ4430的開關頻率可以在350kHz 和 2.5MHz 之間變化。
圖 3:MPQ4430典型應用及其內部補償網絡
由于該器件的開關頻率可配置,因此需要遵循上一節中討論的方法。COMP-Z 必須根據最小開關頻率(即 350kHz)來設置。
假設開關頻率為 350kHz,目標帶寬將是該頻率的 10%,即 35kHz?,F在,我們根據補償網絡中的無源元件來計算COMP-Z 頻率。在該器件中,RCOMP 和CCOMP分別為460kΩ 和 52pF。利用公式 (6)可以得出 fCOMP-Z為 6.6kHz。該值在根據公式 (9)得出的4kHz 至 8kHz 可接受范圍之內,說明滿足第一個要求。
接下來,根據公式(10) 設置的要求檢查 COMP-P 頻率。同樣,由于該器件的開關頻率可配置,因此在公式 (10) 中考慮最大可配置開關頻率。考慮到 2.5MHz 的最大開關頻率,目標 COMP-P 頻率 (fCOMP-P) 必須設置為接近 fSW / 2 = 2.5MHz / 2 = 1.25MHz。
由于該器件的RCOMP和CHF分別為 460kΩ 和 0.2pF,可以得知fCOMP-P為 1.7MHz,該值足夠接近 1.25MHz的目標值。
最后,比較CHF與CCOMP,確保它們滿足公式(11) 設定的要求。該器件的CHF與CCOMP分別為 0.2pF 和 52pF,CHF約為 CCOMP的 0.3%,也滿足CHF與CCOMP之間的關系要求(CHF < 4% x CCOMP)。
MPQ4430 在不同開關頻率下的波特圖
圖 4顯示了在開關頻率及電感值都變化的情況下,MPQ4430的波特測量值。
圖 4:三種開關頻率下 MPQ4430 波特圖
觀察波特圖可以得到幾個重要的結果,如表 1所列。
表 1:增加開關頻率對 BW/PM 的影響
首先,如波特測量中所見,增加開關頻率可以使PM得到改善。由公式(2)可以得知緣由,隨著開關頻率的增大,電感 (ω_L) 產生的極點被推得更遠,這會導致 BW 頻率處的負相位減少而PM 增加。這進一步證實了,基于最小開關頻率設置 COMP-Z 頻率是個明智的決定。
但請注意,由于RCOMP和 CCOMP是固定的,而且開關頻率的增加僅影響功率級中的第二個極點,因此 BW也相對固定。因此,我們可能希望隨著開關頻率的增加而提高BW。這一點可以通過增加外部調節來實現。
在反饋網絡中添加一個前饋電容器 (CFF),是在較高開關頻率下增加環路 BW 和 PM 的有效方法(見圖 5)。
圖5: 在補償網絡中添加一個前饋電容器以改善瞬態響應
添加前饋電容器可以極大地提高系統的 BW和PM。我們在添加和未添加20pF前饋電容器的兩種情況下,在2.5MHz 開關頻率下測量MPQ4330的頻率響應,可以看到添加額外電容器可以使BW和PM均得到改善。
圖 6:添加和不添加前饋電容器時,MPQ4430在 2.5MHz 頻率下的波特圖
結語
本文介紹了一種根據應用開關頻率來評估內部補償網絡性能的系統性方法。這種評估技術涉及三項基本檢查,可以針對開關頻率已知或可配置的應用,確保其內部補償網絡得到恰當的設計。在某些情況下,添加外部調節可以進一步提高系統的瞬態性能。將其原理應用于MPQ4330,也驗證了該技術的有效性。
免責聲明:本文為轉載文章,轉載此文目的在于傳遞更多信息,版權歸原作者所有。本文所用視頻、圖片、文字如涉及作品版權問題,請聯系小編進行處理。
推薦閱讀:
凌華科技推出邊緣視覺分析軟件開發套件EVA SDK加速邊緣AI視覺




