【導讀】最近這幾年充電模塊是熱門,從最開始的7.5kW、10kW 到后面的15kW、20kW,功率等級不斷的提高。市場上的充電模塊絕大部分都是三相輸入,PFC 部分也基本都是采用的三相無中線 VIENNA 結構的拓撲。借這次技術分享的機會,分享一下個人對「三相VIENNA 拓撲」的理解,希望和大家一起探討交流。
我會從以下幾個方面進行說明:
① 主電路組成
② 工作原理
③ 控制模式
④ 控制地的選擇
⑤ 母線均壓原理
⑥ 原理仿真
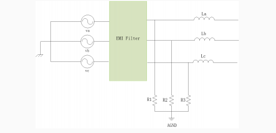
一、主電路的組成如圖所示,是三相 VIENNA PFC 拓撲的主電路,大致如下:

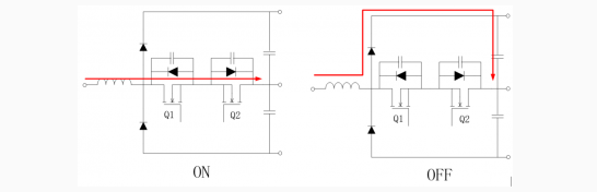
1. 三相二極管整流橋,使用超快恢復二極管或 SiC 二極管;
2. 每相一個雙向開關,每個雙向開關由兩個 MOS 管組成,利用了其固有的反并聯體二極管,共用驅動信號,降低了控制和驅動的難度。相比其他組合方案,具有效率高、器件數量少的優點;3. 電流流過的半導體數量最少,以 a 相為例: ? 雙向開關 Sa 導通時,電流流過2個半導體器件,euo=0,橋臂中點被嵌位到 PFC 母線電容中點; ? 雙向開關關斷時,電流流過1個二極管,iu>0 時euo=400V,iu<0 時 euo=-400V,橋臂中點被嵌位到PFC 正母線或負母線。

二、工作原理
電路的工作方式靠控制 Sa、Sb、Sc 的通斷,來控制 PFC 電感的充放電,由于 PFC 的PF 值很接近1,在分析其工作原理時可以認為電感電流和輸入電壓同相,三相點平衡,并且各相差120度; 1. 主電路的等效電路① 三相三電平 Boost 整流器可以被認為是三個單相倍壓 Boost 整流器的 Y 型并聯;② 三個高頻 Boost 電感,采用 CCM 模式,減少開關電流應力和 EMI 噪聲;③ 兩個電解電容構成電容中點,提供了三電平運行的條件;

這個 eun 的表達式非常重要。
2. 主電路的開關狀態三相交流電壓波形如下,U、V、W 各相差120度

三相交流電壓波形 通過主電路可以看出,當每相的開關 Sa、Sb、Sc 導通時,U、V、W 連接到電容的中點 O,電感 La、Lb、Lc 通過 Sa、Sb、Sc 充電,每相的開關關斷時,U、V、W 連接到電容的正電平(電流為正時)后者負電平(電流為負時),電感通過 D1-D6 放電,以0~30度為例,ia、ic 大于零,ib 小于零。 每個橋臂中點有三種狀態,三個橋臂就是3^3=27種狀態,但不能同時為 PPP 和 NNN 狀態,故共有25種開關狀態(見下期下載鏈接)。 3. 主電路的發波方式主電路的工作狀態與發波方案有較大的關系,采用不同的發波方案會在每個周期產生不同的工作狀態。一般Vienna 拓撲采用 DSP 數字控制,控制靈活,可移植性強。① 采用單路鋸齒波載波調制電流環控制器輸出的調制信號被饋送給鋸齒波載波,保持恒定的開關頻率; 在0~30度這個扇區內,每個周期產生4個開關狀態,由于波形不對稱,電流波形的開關紋波的諧波比較大;采用該種方式進行調試,橋臂中點線電壓的最大步進是2Ed(Ed 為母線電壓的一半,400V);

② 采用相位相差180度的高頻三角載波,當對應的輸入電壓是正半周的時候,采用 Trg1,當對應的輸入電壓是負半周的時候采用 Trg2,每個周期產生8個開關狀態,與傳統的控制方案產生4個開關狀態相比,8個開關狀態相當于頻率翻倍,減小了輸入電流的紋波,對 THD 指標有好處;

上一張仿真的波形:

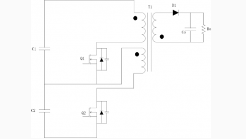
上面我們提到,三相三電平 PFC 可以看作是三個單相的 PFC,每個單相相當于由兩個 Boost 電路組成,在交流電壓的正負半周交替工作,正半周如下所示:

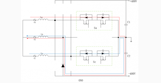
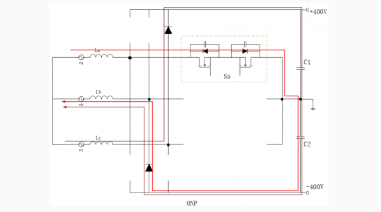
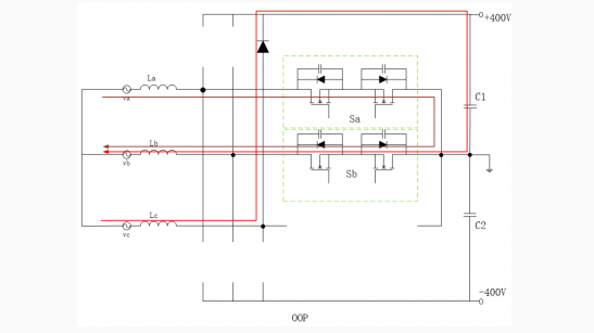
以 a 相為例,驅動信號為高時,則開關管 Q1 導通(交流電壓的正半周) 或者 Q2 導通 (交流電壓的負半周);驅動信號為低時,開關管 Q1 和 Q2 都關斷。電壓正半周時,a相上橋臂二極管導通;電壓負半周時,a 相下橋臂二極管導通。 通過上面的分析,采用移相180度的三角載波進行調制,在0~30度的扇區內有8種開關狀態,4種工作模式ONO,ONP,OOP,POP。 ① ONO 工作模式
a 相和 c 相導通,b 相截至,U 和 W 電壓為0,V 點電壓-400V;該工作狀態只給C2 進行充電;

② ONP 工作模式
a 相導通,b 相和 c 相截至;U 點電壓為0,V 點電壓為-400V,W 點電壓為+400V;

③ OOP 工作模式
U 和 V 點電壓為0,W 點電壓為+400V;

④ POP 工作模式
U 和 W 點電壓為+400V,V 點電壓為0,該工作模式只給 C1進行充電;

當然,這只是在0~30度扇區的工作狀態。其實在整個工頻周期,是有25個工作狀態的。
ONO 和 POP 這兩種工作模式只給C1 或 C2 充電的狀態對后面母線電壓均壓起決定性的作用。 我們知道,DSP 的 PWM 模塊的載波方式不能改變,一般是無法使 DSP 產生幅值相同、相移180度的載波時基.可以用正負半周不同方式實現,具體實現方式如下:

在正半周的時候跟 CMPR+比較,在負半周的時候跟 CMPR-比較。正半周的時候低有效,負半周的時候高有效。這樣就可以產生180度的相移了,其中 CMPR-是PI 計算出來的值,而 CMPR+=PRD-CMPR- 三、控制模式我們知道,這種控制電路一般采取雙環的控制方式,即電壓外環+電流內環。電壓外環得到穩定的輸出直流電壓,供后級電路的使用(如 ThreeLevel LLC、PS Interleave LLC、PSFB等),電流內環得到接近正弦的輸入電流,滿足 THD 和 PF 值的要求。

其實數字控制無非就是把模擬的方案轉換為數字的運算,其中最經典可以參考 TI 的 UC3854,利用它的控制思想來實現數字化。

PFC 母線輸出電壓經過采樣和濾波,由 DSP 的 ADC 采樣到 DSP 內部,與電壓給定信號進行比較,產生誤差后經過 Gvc(s) 補償后輸出一個 A 信號,然后通過乘法器與交流 AC 電壓相乘得到電流的給定信號,正是該乘法器的作用才能保證輸入電壓電流同相位,使電源輸入端的 PF 值接近1; 將采樣的電感電流波形與電流給定進行比較得出誤差,經過 Gic(s) 補償器進行補償后得到電流環的輸出值,該值直接與三角波進行調制,得到PWM 波形,控制電壓和電流;大致的控制框圖可以用下圖來簡化表示;

其中:?Gcv(s) 電壓環的補償函數? Gci(s) 為電流環的補償函數? Hi(s) 為電流環采樣函數? Hv(s) 為電壓環采樣函數? Gigd(s) 為電感電流對占空比 D 的函數
四、控制地 AGND 的選擇
在傳統的單相有橋 PFC 中,一般把 PFC 電容的負極作為控制 AGND,因為該點的電壓通過整流橋跟輸入的 L、N 相連。 ? 當輸入為正半周時,AGND 為整流橋鉗位在 N 線;? 當輸入為負半周時,AGND 被整流橋鉗位在 L 線; 所以母線電容的負極地 AGND(相當于 PE)是一個工頻的變化,由于輸入一般都是50Hz 的交流電,所以相對還是比較穩定的,可以作為控制電路的控制地。但是相比較 Vienna PFC 就不一樣了,母線電容的中點相對與工頻電壓中點 (PE) 是一個開關級的5電平高頻變動的電平:±2/3Vo、0、±1/3Vo(這里的 Vo 代表母線電壓的一半,典型值400V),如果以如此大的高頻波動去作為控制地的話,那么噪聲和共模干擾就會非常大,可能會導致采樣電壓和驅動不準確,嚴重影響到電路的可靠性。由于電容中點的高頻變化不能作為控制地,那怎么辦?我們是否可以人為的構建一個虛擬的地來作為控制地 AGND? 我們可以采用在三相輸入之間通過分壓電阻相連,采用 Y 型接法來產生虛擬地作為控制地。不過構建了這個控制地后,那么其他所有的采樣、驅動都要以差分和隔離的方式相對于這個控制地來工作。 采用這種方法,是不是完美的把電容中點 O 與控制地 AGND 分開了,避免了高頻劇烈變動帶來的干擾。

五、母線均壓
我們知道,三相 Vienna PFC 拓撲的母線電壓 800V 是由兩個電容 C1 和 C2 串聯進行分壓,電容中點的電位 O 由電容的充放電決定,兩個電容的電壓應該保持均衡以保持真實的三電平運行條件。否則輸出電壓可能包含不期望的諧波,甚至會影響到電路的完全性。 三相三電平 PFC 正負母線的均衡度會影響 PFC 的性能:① 輸入電流 THD② 功率開關管和二極管的應力 (本身以及后級功率電路)③ 動態時母線電容容易過壓 電容中點的電位偏差與 PFC 正負母線電容的充放電過程相關,通過附件開關狀態可以看出,a 組和 z 組工作狀態沒有電流流入或流出電容中點,因此兩個電容的充放電是一樣的,不會產生偏壓。只有 b、c、d 組的開關狀態才會影響到 PFC 母線電容充放電的差異,產生偏壓。根據前面的工作原理分析,POP 工作狀態只給電容 C1 進行充電,ONO 工作狀態只給電容 C2 進行充電,故可以根據這兩個工作狀態來控制中點電位,在控制中可以調節 ONO 和 POP 兩個工作狀態的作用時間來進行均壓。

這個時候可以在整個控制環路中添加一個偏壓環,用于調節 ONO 和 POP 的作用時間,來進行母線電壓的均壓作用。 具體實施方法:分別對正母線和負母線進行采樣,然后得出差值 (直流分量),該差值經過偏壓環的補償器調節之后疊加到輸入電流參考正弦波,經過精密整流后變換為幅值有差異的雙半波作為電流環的給定,以此來改變 ONO 和 POP 的作用時間,改善PFC 母線均壓。

如下圖所示:compa、compb 和 compc 分別是每相的電流環計算出來的結果,以0~30度扇區為例,當正母線相對于中點的電壓低于負母線時,正半波的給定變小,負半波的給定變大,POP 工作狀態的時間變長,給正母線電容的充電時間變長;
ONO 工作狀態的時間變短,給負母線電容的充電時間變短。當正母線相對于中點的電壓高于負母線時,正半波的給定變大,負半波的給定變小,POP 的作用時間變長,給正母線電容充電的時間變短,ONO 的作用時間變長,給負母線的充電時間變長。 圖中comp 值實線代表上個周期的值,虛線代表當周期需要的值;陰影部分代表變化的時間;

以上說明的是主功率回路正常工作時候可以通過調節來控制 PFC 母線電容的均壓,但是當模塊起機的時候呢? 可以采用輔助電源直接從+400V~-400V 之間進行取電,由于電容有差異性,內阻不可能完全相等,也會差生偏壓。 還有一個是要采用更高等級的 MOSFET,成本高,而且現在充電模塊的待機損耗也是一個問題,很多客戶要求模塊的待機損耗不能超過多少。 當然還有另一種輔助電源取電方式,也是現在廠家主流的方式。就是正負母線均掛一個輔助電源,在起機的時候通過充電電阻給母線電容充電,變壓器采用繞組競爭的方式,誰的母線電壓高,就采用誰供電,這樣可以很好的保證模塊在起機過程中的均壓效果;在模塊正常工作起來以后,也是同樣的道理。而直接從+800V 取電沒有這種效果。
六、原理仿真

1. 輸出電壓波形

2. 仿真波形輸入電流波形,參數沒有調好,將就著看吧。

輸三相電流波形
3. 橋臂中點的線電壓輸入線電壓峰值與 PFC 總母線電壓的比值定義為調制系數 m,m=Vlp/2Ed; 其中 Vlp 是線電壓的峰值。 整流器可以被認為是與市電通過 PFC 電感連接的電壓源,為了使輸入電流正弦,橋臂中點線電壓也應該為正弦波形。而實際情況下橋臂中點線電壓是正弦 PWM 波形,諧波分量和最大步進是兩個主要考慮的因素。 ① 當輸入線電壓峰值大于 Ed 時,橋臂中點線電壓電壓波形 euv,是一個5階梯的電壓波形,幅值為0,±400V,±800V,步進是400V;

② 當輸入線電壓峰值小于 Ed 時,橋臂中線線電壓波形是一個3階梯的電壓波形,幅值為0,±400V,步進為400V;

橋臂中點相對于市電中點的電壓波形 eun,是一個9階梯的電壓波形;幅值為0,±133V,±266V,±400V,最小步進是133V,最大步進是266V;由于功率開關管和散熱器之間有寄生電容,這個階梯信號會產生共模噪聲;

電容中點O 相對于市電中點的電壓波形 eon,是一個5階梯波形,幅值為0,±133V,±266V,步進為133V;

免責聲明:本文為轉載文章,轉載此文目的在于傳遞更多信息,版權歸原作者所有。本文所用視頻、圖片、文字如涉及作品版權問題,請聯系小編進行處理。
推薦閱讀:


