【導讀】采用多個小型電源通常比使用單個大型電源更加經濟實惠和可靠。例如,可采用單獨的電池以提高可靠性。在多電源系統中,均等地分擔負載是很重要的;否則,一個電源或許會試圖承擔整個負載的供電。本文將說明怎樣通過級聯 LTC4370 電路以容易地實現三個或四個電源的負載平衡。
如圖 1 所示,LTC4370 控制器在輸出電壓之間具有適度差異的兩個電源之間實現了電流均分。為了完美地平衡兩側中的電流,該控制器調節位于具有較高電壓那一側中的 N 溝道 MOSFET 的柵-源極電壓。這在 MOSFET 的 RDS(ON) 和電流檢測電阻器兩端產生一個電壓降。
LTC4370 能夠補償兩個電源軌之間高達 0.5V 的電壓差。如果兩個電源之間的電壓差異略低于 0.5V,則 LTC4370 可調節其輸出以匹配電壓值較低的電源軌 (通過在 RANGE 引腳上增設一個合適的電阻器來設定)。

圖 1:LTC4370 電流平衡控制器可在兩個電源之間實現平衡的負載分擔,即使當它們的電壓輸出不同時也不例外。
利用兩個級聯的 LTC4370 來平衡三個電源之間的負載
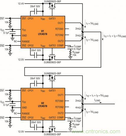
圖 2 示出了一款提供 10A 電流的三輸入、12V 系統。請注意,一個 LTC4370 (U1) 在電源 V1 和 V2 之間執行均等的電流分擔,而第二個 LTC4370 (U2) 則在 U1 的輸出電流和第三個電源 V3 的電流之間實施 2:1 關系的電流分攤。于是,每個電源均等地提供總負載電流的三分之一。負載上的輸出電壓低于電源電壓 V1、V2 和 V3 的最小值。由于有兩個級聯的電路級,因此倘若 V1 和 V2 之間的電壓差已經位于 0.5V 限值,那么在 V3 和 V1 或 V2 之間可以具有高達 1V 的電壓差。

圖 2:可級聯兩個 LTC4370 以實現三個電源的均流。
平衡四個電源之間的負載
級聯三個 LTC4370 控制器 (圖 2) 可允許四個電源分擔負載。在第一級中,U1 和 U2 在一對電源之間強制均等的負載分擔,其中,U1 的輸出電流為 I12 = I1 + I2,而 U2 的輸出電流為 I34 = I3 + I4。第三個 LTC4370 (第二級) 負責保持 I12 = I34。因此,每個電源提供總負載電流的四分之一。同上,兩個級聯的電路級允許存在四個電源電壓之間具有高達 1V 電壓差的可能性。

圖 3:通過采用三個 2 級級聯的 LTC4370,四個電源能夠均等地分擔一個負載的電流供應。
局限性
對實現理想均流有所影響的主要誤差源是:
● LTC4370 誤差放大器輸入失調,±2mV (最大值)
● 檢測電阻器容差,對于 1% 精度的電阻器而言,最壞情況容差為 2% (總值)。
由誤差放大器輸入失調引起的均流誤差隨著檢測電壓的提升而減小,但功耗就增加了。對于具有兩個電源的簡單 LTC4370 電路來說,該誤差表現為電源之電流分擔中的失衡:
當采用上面的最壞情況誤差時,誤差為:
對于圖 2 所示的電路 (這里,理想負載分擔意味著負載被分成 1/3ILOAD 和 2/3ILOAD),通過每個電源的最大和最小電流表達式可以更容易地估算最壞情況失衡:
結論
通過級聯一個 LTC4370 和另一個 LTC4370 的共享輸出,可有效地控制三個或更多的電源以向負載提供相等的電流。由于誤差水平與檢測電阻器容差相近,因此電壓降是極小的。
免責聲明:本文為轉載文章,轉載此文目的在于傳遞更多信息,版權歸原作者所有。本文所用視頻、圖片、文字如涉及作品版權問題,請聯系小編進行處理。
推薦閱讀:



