【導讀】理論上,N型N型金屬氧化物半導體(NMOS)電流鏡的工作原理與我們在2020年8月份學生專區文章中分析的雙極性結型晶體管(BJT)電流鏡相同。兩個具有相同柵源電壓(VGS)的相同晶體管將有相同的漏極電流ID。第二晶體管M2中的電流實際上是第一晶體管M1中電流的鏡像。
本實驗的目標是研究增強模式NMOS晶體管用作電流鏡的工作原理。
背景
理論上,N型N型金屬氧化物半導體(NMOS)電流鏡的工作原理與我們在2020年8月份學生專區文章中分析的雙極性結型晶體管(BJT)電流鏡相同。兩個具有相同柵源電壓(VGS)的相同晶體管將有相同的漏極電流ID。第二晶體管M2中的電流實際上是第一晶體管M1中電流的鏡像。記住MOS晶體管的漏極電流與柵源電壓具有如下關系:
其中,K = μnCox/2,λ可以認為是與工藝技術相關的常數。
根據定義,相同晶體管具有相同的W/L和工藝技術常數。在簡單電流鏡中,兩個晶體管具有相同的VGS。因此,兩個晶體管將有相同的ID。由于沒有電流流入,FET的柵極端子IIN = IOUT。
材料
● ADALM2000 主動學習模塊
● 無焊面包板
● 跳線
● 兩個1 kΩ電阻(阻值盡可能接近或者測量到三位數字或更高精度)
● 兩個小信號NMOS晶體管(ZVN2110A或CD4007 NMOS陣列)
● 一個雙通道運算放大器,例如 ADTL082
● 兩個4.7 μF解耦電容
說明
一種測量電流鏡特性的好辦法如圖1所示。輸入電阻R1和輸出電阻R2現在都是1 kΩ。務必精確測量R1和R2的實際值,以確保電流鏡的輸入和輸出電流測量結果是精確的。IIN等于W1處的W2輸出電壓除以R1的值。IOUT等于示波器通道2測量的電壓除以R2的值。二極管連接的M1跨接在M2的柵極和源極端子上。
在電流鏡配置中,運算放大器作為電流鏡輸入節點的虛擬地,將來自W2的電壓階躍轉換為通過1 kΩ電阻的電流階躍。

圖1.NMOS電流鏡測試電路。

圖2.簡化測試配置。
硬件設置
加載適用于信號發生器的W2通道的 stairstep.csv 文件,將幅度設置為3 V p-p,偏置設置為1.5 V。輸出器件M2的VDS由示波器輸入1+和示波器輸入1-進行差分測量。電流鏡輸出電流由1 kΩ電阻R2兩端的示波器輸入2+和示波器輸入2-測量。漏極電壓使用來自AWG 1(輸出W1)、頻率為40 Hz的三角波形進行掃描。如果您要使用運算放大器設置,請確保該器件已正確連接至電源Vp (5 V)和Vn (–5 V)。

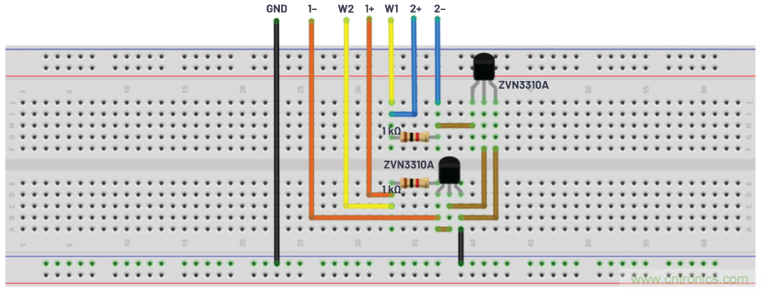
圖3.NMOS電流鏡測試電路面包板連接。

圖4.簡化測試配置面包板連接。
步驟
配置示波器以捕獲多個周期的輸入信號和輸出信號。如果您要使用運算放大器配置,確保已開啟電源。
使用Scopy工具提供的示波器或通過LTspice®仿真繪制這兩個波形。示例如圖5和圖6所示。

圖5.Scopy繪圖中的電流鏡波形,W2為10 kHz頻率。
現在,將W1的頻率更改為200 Hz,然后繪制兩個波形。對相同電路使用LTspice仿真的示例如圖6所示。

圖6.LTspice繪圖中的電流鏡波形,W1為200 Hz,W2為40 Hz。
在本實驗中,我們通過實驗和仿真分析了采用NMOS晶體管的電流鏡,展示了 ADALM2000 和Scopy應用程序在構建真實電路時的使用。
推薦閱讀:



