【導讀】德州儀器(TI)最新的BQ25790和BQ25792降壓電池充電器集成電路解決方案提供最大的功率密度和通用快速充電效率高達97%。該集成電路支持低靜態電流,可靈活地對一至四個電池進行串聯充電,并可在整個輸入電壓范圍(3.6 V至24 V)內為USB Type-C、USB Type-C電源傳輸(USB PD)和無線應用程序充電。這些新的解決方案將用于小型個人電子設備、便攜式醫療設備和樓宇自動化應用。
德州儀器公司電池管理解決方案產品線經理Samuel Wong說:“USB-Type-C/PD適配器越來越受歡迎,并正在成為一種通用的充電標準。“BQ25790和BQ25792的高功率密度性能可以幫助設計工程師利用USB-PD增加的輸入功率,并為不同(1S到4S)電池配置提供靈活性。”
快速充電
有限的電池壽命損害了智能手機用戶的自主性。不管最新的智能手機電池有多出色,它們的尺寸仍然有限。制造商試圖使手機越來越節能,但這些手機一直被用于日益耗電的應用。結果是,如果只充電一次,你的電池通常不會持續到晚上。
快速充電允許您使用一些技術技巧快速恢復設備的電池壽命。用于快速充電的電池充電器還作用于電壓值,從而顯著提高功率輸出。
充電標準是一個復雜的混合化學和物理,由于每一個都有其局限性,不兼容本身可能是一個問題。當電流流過智能手機的電池時,電池會重新充電。更高的電流和更高的電壓能更快地給電池充電,但它們的容量是有限的。電荷調節器(IC)通過調節進出電池的總電流來防止危險的電流浪涌。
USB-PD提供了一個有用的選擇,快速和高效的充電在廣泛的應用。USB PD的輸出電壓范圍可根據不同電池配置的不同電池供電設備進行調整,以利用USB PD的5-W至100-W(20-V/5-A)功率譜。
TI的buck boost集成電路
通用充電允許從汽車適配器或USB PD適配器充電,為各種設備帶來了新的靈活性和便利性,特別是在醫療領域。雙向充電支持移動(OTG)充電。
為了滿足消費者的期望,設計人員正在尋找能夠延長電池運行時間和利用最大電池容量的解決方案,同時有效地充電和減少散熱,以最大限度地減少充電器IC內的功耗。
新的TI系列集成buck-boost充電器集成電路,包括BQ25790和BQ25792,使用USB-PD輸入,在3.6-V至24-V輸入電壓范圍內為1S-4S電池充電時提供更大的靈活性。該設備使用非常低功耗的充電集成電路,以延長電池運行時間,并在不使用應用程序時盡可能節省電池電量。除了超低功耗外,充電器還配備了一個充電定時器,允許在正常充電周期之外進行額外充電,從而使電池達到最大容量充電。
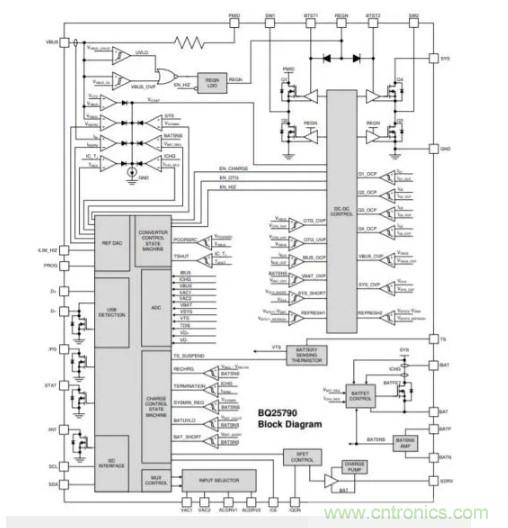
BQ25790和BQ25792多單元buck-boost充電器使用的靜態電流小于1µA。再加上8 mΩ極低的電池場效應晶體管電阻器,工程師可以進一步將電池工作時間最大化,以滿足需要長時間運行的應用(圖1)。

圖1:25790:BQ0
Samuel Wong說:“在便攜式電子設計中,靜態電流有兩個主要挑戰:第一種靜態電流是在設備運輸和儲存期間的長貨架期關機模式。”“BQ25790和BQ25792提供低至0.6µa的關機模式。關機模式不僅將IC電流消耗降至最低,還將系統與電池完全斷開,以避免系統功耗,這使得電池可以保持滿容量幾個月。第二種靜態電流是電池模式,當電池為系統供電時使用這種模式。為了提供長時間的電池運行時間,這些buck-boost電池充電器的設計目的是將IC本身消耗的電流降到最低。”
新的buck-boost充電器完全集成了以下組件:金屬氧化物半導體場效應晶體管(mosfet)、電池FET、電流傳感電路和雙輸入選擇開關。組件數量的減少對于智能音箱等應用尤其重要,智能音箱體積更小,價格也隨著市場采用率的提高而降低。
“組件集成在面積、成本和性能方面總是有折衷的,”Wong說。BQ25790和BQ25792分別在<10-mm2(WCSP)或16-mm2(QFN)封裝中集成了四個buck-boost變換器mosfet、一個電池FET和兩個電流感測電阻器。這大大縮小了50%以上的解決方案尺寸,使PCB封裝中的功率密度增加了一倍。我們的高效功率轉換器和創新的包裝,充電器支持高達155兆瓦/平方毫米。小型集成解決方案不僅增加了功率密度,而且通過簡單的設計和最小的BOM提供了更好的用戶體驗。”
近年來,buck-boost充電器越來越受歡迎,因為它能夠從幾乎任何輸入源為電池充電,并能滿足C型和PD-USB適配器的需求。廣泛采用usbtype-C的一個關鍵優勢是實現通用適配器和相應減少電子浪費的現實途徑。高功率密度buck-boost充電器不僅要集成一般功能的充電模塊,還要集成DC/DC變換器等其它模塊,以簡化系統設計。圖2顯示了USB充電系統的解決方案。

圖2:USB PD充電解決方案的框圖
當適配器不存在時,DC/DC轉換器對電池放電以產生VBUS調節的電壓并為外部設備供電。在沒有適配器的情況下,放電電源路徑中的連排式mosfet將導通,將輸出電壓U3切換到VBUS,并保持VBUS電壓。這使DC/DC轉換器始終接通。作為輸入過壓和過流保護電路的一部分,外部連排式mosfet的控制邏輯和驅動電路也集成在充電器中。

圖3:完全集成的buck-boost充電
圖3所示的完全集成的buck-boost充電器可以簡化USB PD充電解決方案的全系統設計。作為輸入過壓和過流保護電路的一部分,外部連排式mosfet的控制邏輯和驅動電路也集成到充電器中。這些特性消除了從方框圖中支持輸入電源路徑管理和輸入電流檢測的單元。

圖4:單塊buck-boost充電器實現的usbtype-C-FRS

圖5:從VBUS sink到VBUS源的Buck-boost充電器FRS
為了支持C型USB端口的快速角色交換(FRS),該集成buck-boost充電器實現了一種新的備份模式,可以監控VBUS電壓;VBUS電壓下降到預設閾值以下表示適配器已卸下。FRS是usbpd3.0的一個很好的新特性,其中提供電源的設備可以快速改變其電源角色,成為一個能量消耗者,以保持一致的數據連接。FRS有助于防止設備意外斷電時可能發生的任何數據丟失(圖4和圖5)。
推薦閱讀:




