【導讀】信號發生器產生定義的電信號,其特性隨時間推移而變化。如果這些信號表現為簡單的周期波形,如正弦波、方波或三角波,那么這些信號發生器稱為函數發生器。它們通常用于檢查電路或組件的功能。將信號發生器定義的信號施加于被測電路的輸入端,并在輸出端連接至相應的測量設備(例如,示波器)。這樣用戶就可以對電路進行評估。過去,挑戰通常包括如何設計信號發生器的輸出級。本文介紹如何設計通過電壓增益放大器(VGA)和電流反饋放大器(CFA)搭建的小型經濟的輸出級。
典型的信號發生器提供25 mV至5 V輸出電壓。為了驅動50 Ω或更高的負載,一般會在輸出端使用功能強大的分立式組件、多個并行組件,或者成本高昂的ASIC。其內部通常有繼電器,允許設備在不同的放大或衰減級之間切換,從而調節輸出電平。根據需要開關繼電器來實現各種增益時,在一定程度上會導致操作斷續。簡化框圖如圖1所示。

圖1. 典型的信號發生器輸出級的簡化框圖。
使用新款放大器IC作為輸出級功放,可無需使用內部繼電器而直接驅動負載。因此簡化了信號發生器的輸出級設計,且降低了復雜度和成本。這種輸出的兩個主要組件會構成一個強大的輸出級,提供高速、高壓、高電流,以及具有持續線性微調功能的可變放大器。

圖2. 帶VGA的信號發生器輸出級的簡化框圖。
首先,原始輸入信號必須通過VGA放大或衰減。VGA的輸出信號可以設置為所需的幅度,這種幅度與輸入信號無關。例如,如果增益為10時,輸出幅度VOUT為2 V,則VGA的輸出幅度必須調整至0.2 V。遺憾的是,許多VGA因為有限的增益范圍而產生瓶頸。增益范圍很少能大于45 dB。
ADI在低功耗VGA AD8338上實現了0 dB至80 dB可編程增益范圍。因此,在理想條件下,可以將信號發生器的連續輸出幅度設置在0.5 mV和5 V之間,且無需額外使用繼電器或開關網絡。通過去除這些機械組件,可以避免不連續的輸出。因為數模轉換器(DAC)和直接數字頻率合成器(DDS)組件通常具有差分輸出,所以AD8338提供全差分接口。此外,通過靈活的輸入級,任何不對稱的輸入電流都可以通過內部反饋環路得到補償。同時,內部節點保持在1.5 V。在正常情況下,最大1.5 V輸入信號在通過500 Ω輸入電阻時,產成3 mA電流。在輸入幅度較高(例如15 V)時,可能需要在輸入引腳串聯一個更高的電阻。該電阻阻值也要使得與輸入電壓為1.5V時一樣,產生最大不超過3mA輸入電流。
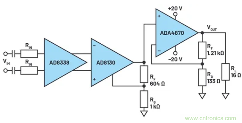
許多商用信號發生器在50 Ω(正弦波)負載下提供最大250 mW (24 dBm)的有效輸出功率。但是,這對于具有較高輸出功率的應用通常不夠用,例如測試HF放大器或生成超聲脈沖的要求。因此,還需要使用電流反饋放大器。ADA4870可以在±20 V電源電壓條件下輸出±17 V/1 A。正弦波可以在高達23 MHz的頻率下實現滿負載輸出,這使其成為通用任意波形發生器的理想前端驅動器(輸出級)。為了優化輸出信號擺幅,將ADA4870的增益配置為10,因此所需的輸入幅度為1.6 V。但是,由于ADA4870具有接地參考輸入,而上游的AD8338具有差分輸出,所以應在兩個部件之間連接差分接收器放大器,以實施差分至到單端的轉換。AD8130提供270 MHz的增益帶寬積(GBWP),壓擺率為1090 V/μs,非常適合此應用。AD8338的輸出限制在±1 V,所以AD8130的中間增益應設計為1.6 V/V。整體電路配置如圖3所示。在22.4 V (39 dBm)幅度和50 Ω負載下,可實現20 MHz帶寬。

圖3. 采用分立設計的信號發生器輸出級的簡化電路。
通過更高功率的VGA(AD8338)、大功率的CFA (ADA4870)和差分接收器放大器(AD8130)的組合,可以相對輕松地構建緊湊型高功率信號發生器輸出級。它具有更高的系統可靠性、更長的服務壽命和更低的成本,因此優于傳統輸出級。
AD8130
● 高速
○ AD8130:270 MHz,1090 V/µs (G = +1)
○ AD8129:200 MHz,1060 V/µs (G = +10)
● 高共模抑制比(CMRR)
○ 94 dB(最小值,DC至100 kHz)
○ 80 dB(最小值,2 MHz)
○ 70 dB (10 MHz)
● 高輸入阻抗:1 MΩ差分
● 低噪聲
○ AD8130:12.5 nV/√Hz
○ AD8129:4.5 nV/√Hz
● 輸入共模范圍:±10.5 V
● 低失真,1 V峰峰值 (5 MHz):
○ AD8130,-79 dBc(最差諧波,5 MHz)
○ AD8129,-74 dBc(最差諧波,5 MHz)
● 用戶可調增益
○ G = +1無需外部元件
● 電源電壓范圍:+4.5 V至±12.6 V
● 省電模式
推薦閱讀:



