【導讀】在消費電子市場,電視、投影儀和其它多媒體設備紛紛采用高清多媒體接口(HDMI®)技術,使得HDMI成為全球公認的接口。相信不久之后,所有多媒體設備都需要配備該接口。HDMI接口在家庭娛樂中已經廣為流行,近來在便攜式設備和汽車信息娛樂系統中,它也日漸風行。
實現標準化多媒體接口是競爭高度激烈的消費電子市場的必然要求,上市時間對于該市場而言至關重要。除了提高市場認可度以外,采用標準接口還能大大改善投影儀、DVD播放機、高清電視以及不同制造商生產的其它設備之間的兼容性。
然而,在某些工業應用中,從模擬視頻向數字視頻過渡所需的時間比消費電子市場要長,許多設備尚未采用新的數字方法來發送合成音視頻數據。這些設備仍然使用模擬信號作為唯一的視頻傳輸途徑,原因可能是特殊市場或應用有特定要求。例如,對于投影儀,有些客戶仍然偏好使用視頻圖形陣列(VGA)電纜,而其它一些客戶則使用音頻/視頻接收器(AVR)或媒體盒作為集線器,將一條HDMI電纜連接到電視,而不是一組凌亂且不美觀的電纜,如圖1所示。

圖1. 媒體盒將模擬信號轉換為HDMI
新使用者可能認為HDMI是一種相對較復雜的標準,需要經過驗證的軟件驅動器、互通性和兼容性測試,從而保證一種設備與其它各種設備結合使用時能夠正常工作。這似乎有點難以把握,遇到新技術時常常會發生這種情況。
然而,先進的半導體技術正在解決這些難題,模擬域和數字域均實現了改進,包括通過更高性能的模塊來均衡較差的差分信號,以及利用更復雜的算法來減少軟件開銷和糾正位錯誤。
本文說明先進的半導體解決方案和靈巧的軟件如何幫助實現HDMI。兩種基本器件——HDMI-VGA (“HDMI2VGA”)和VGA-HDMI (“VGA2HDMI”)轉換器——為熟悉視頻應用的工程師提供一種簡單的模擬視頻與數字視頻相互轉換的方法。
雖然HDMI已成為事實上的高清視頻接口,但VGA仍是筆記本電腦上最常用的接口。本文還會說明如何使這兩種接口互連。
HDMI應用和視頻標準簡介
HDMI接口利用最小差分傳輸信號(TMDS)線傳輸包形式的視頻、音頻和數據。除了這些多媒體信號以外,接口還包括顯示器數據通道(DDC)信號,用于交換擴展顯示識別數據(EDID)和高帶寬數字內容保護信息(HDCP)。
此外,HDMI接口還可以配備消費電子控制(CEC)、音頻回授通道(ARC)和家庭以太網通道(HEC)。由于這些不是本文所述應用的重要部分,本文將不予討論。
EDID數據包括一個128字節(VESA—視頻設備標準協會)或256字節(CEA-861—消費電子協會)數據模塊,用于說明視頻接收器(Rx)的視頻和(可選)音頻能力。EDID由視頻源(播放器)利用I2C協議通過DDC線從視頻接收器讀取。視頻源必須發送視頻接收器支持的且列于EDID中的首選或最佳視頻模式。EDID可能還包含關于視頻接收器音頻能力的信息,以及支持的音頻模式列表和相應的頻率。
VGA和HDMI均有DDC連接,用以支持視頻源與接收器之間的通信。EDID的前128字節可以由VGA和HDMI共享。根據ADI公司HDMI兼容性測試(CT)實驗室的經驗,EDID的前128字節更容易出錯,因為一些工程師不熟悉HDMI規范的嚴格要求,而且大多數文章都是側重于EDID擴展模塊。
表1顯示了EDID前128個字節中容易出錯的部分。有關EDID前128個字節之后的CEA擴展模塊設計的詳細信息,請參閱CEA-861規范。
表1. EDID簡介

VGA和HDMI的時序格式由上述兩個標準設置組分別定義:VESA和CEA/EIA。VESA時序格式的定義參見“VESA監視時序和協同視頻時序標準”;HDMI時序格式的定義參見CEA-861。VESA時序格式包括主要用于PC和筆記本電腦的標準,如VGA、XGA、SXGA等。CEA-861描述電視和增清/高清顯示器所用的標準,如480p、576p、720p和1080p等。在這些時序格式中,只有640 × 480p @ 60 Hz這一種格式是強制性的,為VESA和CEA-861標準所共有。PC和電視均必須支持這種模式,因此本例使用該模式。表2比較了一般支持的視頻標準。詳細數據請參閱相應的規范。
表2. 最常用的VESA和CEA-861標準(p = 逐行;i = 隔行)

應用和部分要求簡介
HDMI2VGA和VGA2HDMI轉換器的重要要求是確保視頻源發送的信號符合正確的視頻標準。這是通過提供一個具有適當EDID內容的視頻源來實現的。一旦收到,就可以將正確的視頻標準轉換為最終HDMI或VGA標準。
圖2和圖3中的功能框圖顯示了HDMI2VGA和VGA2HDMI轉換的相應過程。HDMI2VGA轉換器假設HDMI Rx內置EDID。

圖2. 具有音頻提取功能的HDMI2VGA轉換器

圖3. VGA2HDMI轉換器
工作原理
VGA2HDMI: VGA源從接收器讀取EDID內容,利用DDC線路通道獲取支持的時序列表,然后視頻源開始發送視頻流。VGA電纜具有RGB信號和獨立的水平(HSYNC)與垂直(VSYNC)同步信號。下游VGA ADC鎖定HSYNC以重新產生采樣時鐘。VGA解碼器將輸入的同步信號與時鐘對齊。
數據使能(DE)信號指示視頻的有效區域。VGA ADC并不輸出此信號,它是HDMI信號編碼的強制要求。DE的邏輯高電平部分表示有效像素,或者說視頻信號的可視部分。DE的邏輯低電平部分表示視頻信號的消隱部分。

圖4. 水平DE生成

圖5. 垂直DE生成
DE信號對于產生有效HDMI流至關重要。如果沒有DE信號,可以通過HDMI發送器(Tx)來補償,它能重新生成DE信號。現代HDMI發送器可以利用若干參數設置,如HSYNC延遲、VSYNC延遲、有效寬度和有效高度等,從HSYNC和VSYNC輸入產生DE信號(如圖4和圖5所示),確保兼容HDMI信號傳輸。
HSYNC延遲定義從HSYNC前沿到DE前沿的像素數。VSYNC延遲定義VSYNC和DE前沿之間的HSYNC脈沖數。有效寬度表示有效水平像素數,有效高度表示有效視頻的行數。DE生成功能也可用于顯示功能,例如使有效視頻區域處于屏幕的中央。
顯示位置調整是VGA輸入的強制要求。數字化模擬輸入信號的第一個和最后一個像素不得靠近任何HSYNC/VSYNC脈沖或與之重合。DE信號低電平期間(如垂直或水平消隱間隔)用于發送額外的HDMI數據和音頻數據包,不得違反要求。ADC采樣階段可能會引起這種不對齊現象。屏幕可視區域中的黑條可能意味著有效區域不對齊。對于復合視頻廣播信號(CVBS),此現象可通過過掃描5%到10%進行校正。
VGA旨在顯示整個有效區域,不落下任何區域。畫面不會過掃描,因此顯示位置調整對于VGA轉HDMI很重要。最佳情況下,黑條可以被自動識別,圖像可以自動調整到最終屏幕的中央,或者根據回讀信息手動調整。如果VGA ADC連接到后端定標器,有效視頻將能正確地與整個可視區域重新對齊。
然而,使用定標器解決有效視頻區域不對齊問題會提高設計成本及相關風險。例如,利用定標器和視頻圖案,有效區域內一個小白框周圍的黑色區域可能會被視為無用棒而予以消除有效區域內一個小白框周圍的黑色區域可能會被視為無用條而予以消除。黑色區域消除后,白框就變為純白色背景。另一方面,半白半黑圖像會產生失真。為了防止此類不當失真,必須采取某種預防機制。
HDMI Tx一旦鎖定并重新產生DE信號,就會向HDMI接收器(如電視等)發送視頻流。與此同時,片上音頻器件,如音頻編解碼器等,也可以通過I2S、S/PDIF或DSD向HDMI Tx發送音頻流。HDMI的優勢之一是可以同時發送視頻和音頻。
VGA2HDMI轉換板上電且源和接收器連接后,MCU應通過HDMI Tx DDC線回讀HDMI接收器的EDID內容。MCU應將EDID的前128字節略微更改后復制到VGA DDC通道的EEPROM,因為VGA DDC通道一般不支持用于HDMI的CEA擴展。表3列出了需要的更改。
表3. VGA2HDMI轉換器需要的更改列表

HDMI2VGA: HDMI2VGA轉換器首先必須向HDMI源提供適當的EDID內容,然后才能接收所需的640 × 480p信號,或者視頻源/顯示器支持的其它常見標準。HDMI Rx一般將EDID內容存儲在內部,處理熱插拔檢測線(表示顯示器已連接),接收、解碼并解讀輸入的視頻和音頻流。
由于HDMI流將音頻、視頻和數據合并在一起,因此HDMI Rx也必須支持回讀輔助信息,如顏色空間、視頻標準和音頻模式等。多數HDMI接收器會自適應接收流,自動將任何顏色空間(YCbCr 4:4:4、YCbCr 4:2:2、RGB 4:4:4)轉換為視頻DAC要求的RGB 4:4:4顏色空間。自動顏色空間轉換(CSC)確保將正確的顏色空間發送至后端器件。
輸入HDMI流經過處理并解碼為所需的標準后,便通過像素總線輸出到視頻DAC和音頻編解碼器。視頻DAC通常具有RGB像素總線和時鐘輸入,但無同步信號。HSYNC和VSYNC信號可通過緩沖器輸出到VGA輸出,最終輸出到監視器或其它顯示器。
HDMI音頻流可以承載許多不同標準,例如:L-PCM、DSD、DST、DTS、高比特率音頻、AC3和其它壓縮位流。多數HDMI接收器在提取音頻標準方面沒有問題,但進一步處理可能有問題。根據后端器件不同,可能優先使用簡單標準,而不是復雜標準,以便能將其輕松轉換為揚聲器用模擬輸出。HDMI規范確保所有器件至少支持32 kHz、44.1 kHz和48 kHz LPCM。
因此,必須產生EDID信號,這個信號既與提取音頻的HDMI2VGA轉換器的音頻能力相匹配,又與VGA顯示器的原始能力匹配的顯示器的原始信號相匹配EDID。這可以通過一個經由DDC線從VGA顯示器檢索EDID內容的簡單算法來實現。回讀數據應經過解析和驗證,確保監視器允許的頻率不高于HDMI Rx或視頻DAC支持的頻率(參見表4)。EDID鏡像可以利用一個列出音頻能力的額外CEA模塊進行擴展,以反映HDMI2VGA轉換器僅支持線性PCM標準的音頻。包含所有模塊的預備EDID數據因此可以向HDMI源提供。向熱插拔檢測線(HDMI線纜的一部分)發送脈沖后,HDMI源應從轉換器重新讀取EDID。
可以利用一個簡單的微控制器或CPU來控制整個電路,讀取VGA EDID并對HDMI Rx和音頻DAC/編解碼器進行編程。一般不需要控制視頻DAC,因為它沒有I2C或SPI等控制端口。
表4. HDMI2VGA轉換器需要的更改列表

內容保護考慮
典型模擬VGA不提供內容保護,因此獨立轉換器不應允許解密內容保護數據,否則最終用戶將能訪問原始字數據。另一方面,如果該電路是較大器件的組成部分,只要它不允許用戶訪問未加密的視頻流,就可以使用它。
電路示例
示例VGA轉HDMI板使用高性能8位顯示器接口AD9983A,它支持最高UXGA時序和RGB/YPbPr輸入,以及高性能165 MHz HDMI發送器ADV7513, 它支持24位TTL輸入、3D視頻和可變輸入格式。利用這些器件可以快速方便地構建一個VGA2HDMI轉換器。ADV7513還有一個內置DE生成模塊,因而無需外部FPGA來產生丟失的DE信號。ADV7513也有一個嵌入式EDID處理模塊,可以自動從HDMI Rx回讀EDID信息,或者手動強制回讀。
同樣,構建一個HDMI2VGA轉換器也不是非常復雜。利用低功耗165 MHz HDMI接收器ADV7611和三通道、8位、330 MHz視頻DACADV7125,可以構建一個高度集成的視頻路徑。Rx包括內置的EDID、用于處理熱插拔置位的電路、可以輸出RGB 4:4:4的自動CSC(與接收的顏色空間無關),以及一個支持亮度/對比度調整和同步信號重新對齊的器件處理模塊。低功耗音頻編解碼器SSM2604可以解碼立體聲I2S流,并通過DAC以任意音量輸出。該音頻編解碼器的時鐘源可以從ADV7611 MCLK線獲得,不需要外部晶振,配置只需要執行幾次寫操作。
一個簡單的MCU,例如內置振蕩器的精密模擬微控制器ADuC7020就能控制整個系統,包括EDID處理、顏色增強和一個帶按鈕、滾動條、旋鈕的簡單用戶接口。
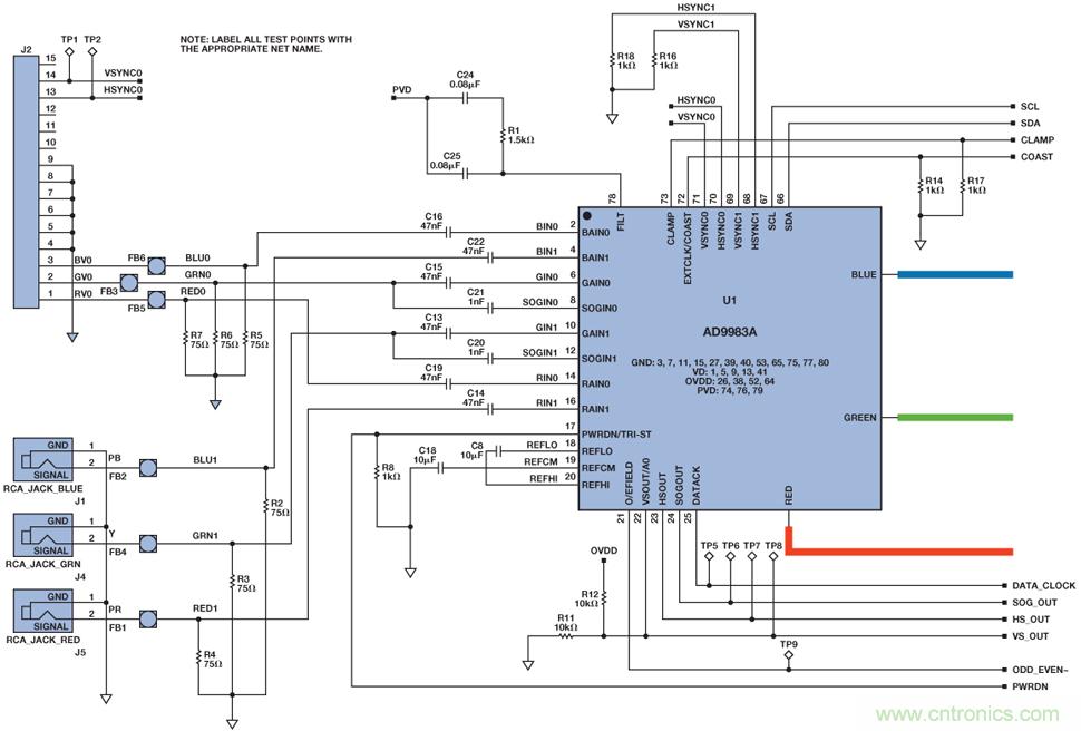
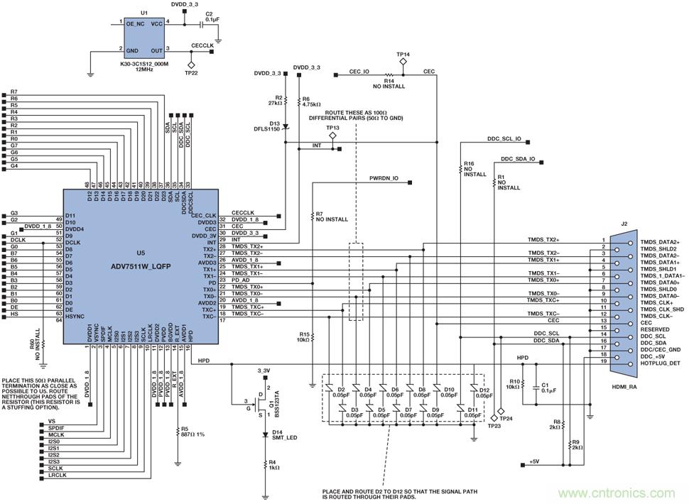
圖6和圖7分別顯示VGA2HDMI轉換器的重要部件——視頻數字化儀(AD9983A)和HDMI Tx (ADV7513)的示例原理圖。不包括MCU電路。

圖6. AD9983A原理圖

圖7. ADV7513原理圖
結束語
ADI公司的音頻、視頻和微控制器器件可以實現高集成的HDMI2VGA或VGA2HDMI轉換器,轉換器從USB連接器獲取的少量電源供電。
兩種轉換器均表明:利用ADI器件,可以輕松實現采用HDMI技術的應用。對于應在HDMI中繼器配置中工作的設備,HDMI系統復雜度會提高,因為這要求處理HDCP協議和整個HDMI樹。兩種轉換器均不使用HDMI中繼器配置。
視頻接收器(顯示器)、視頻發生器(源)和視頻轉換器等應用要求軟件堆棧相對較小,因此可以快速輕松地實現。有關更多信息和原理圖,請參閱ADI公司的EngineerZone網頁。
歡迎您在中文技術論壇上的模擬對話社區對HDMI-VGA轉換發表評論。
參考電路
A DTV Profile for Uncompressed High Speed Digital Interfaces (CEA-861-E).
顯示器監視時序(DMT)、協同視頻時序(CVT)和增強擴展顯示識別數據(E-EDID)標準可從VESA獲得。
推薦閱讀:

