【導讀】絕大多數機電負載或半導體負載都需要穩定的 DC-DC 電壓轉換及嚴格的穩壓,才能可靠運行。執行該功能的 DC-DC 轉換器通常稱作負載點 (PoL) 穩壓器,設計時具有最大輸入電壓及最小輸入電壓規格,其規格定義了它們的穩定工作范圍。這些穩壓器的供電網絡 (PDN) 的復雜性可能會因負載的數量和類型、整體系統架構、負載功率級、電壓等級(轉換級)以及隔離和穩壓要求的不同而不同。
許多電源系統設計人員將穩壓的 DC-DC 轉換器視為整體設計的關鍵。但將合適的電壓提供給負載點穩壓器,不一定都需要 PDN 穩壓,或者對于中間配電母線電壓而言 PDN 穩壓并不那么重要。考慮這一點時,電源系統工程師應該考慮應用固定比率 DC-DC 轉換器,它可顯著的提升PDN 的整體性能。
如何優化供電網絡
PDN 性能通常以功耗、瞬態響應、物理尺寸、重量及成本來衡量。影響 PDN 性能的一個主要設計挑戰是電壓轉化的比例和高精度的線/負載調整率。工程師花了大量的時間來處理大量不同的輸入/輸出 電壓轉化率,動態調整率以及分布特性來提高性能和可靠性。
如果系統負載功耗處于千瓦級范圍內,采用高壓設計大容量 PDN,可減少在系統中的電流等級 (P=V•I),因此可以縮小 PDN 尺寸,減輕重量并降低成本(線纜、母線排、主板銅箔電源層)(PLOSS = I2R)。在轉換為低壓/大電流前,最大限度延長高電壓運行時長,盡可能接近負載,是一大優勢。
但要讓高壓、高功率 PDN 接近負載,則需要具有高效率及高功率密度的 DC-DC 轉換器。如果輸入至輸出電壓轉換比例很大,例如 800V 或 400V 轉 48V,最高效率的轉換器是提供非穩壓的固定比率轉換器。這些高效率的轉換器,不僅可提供更高的功率密度,而且還因較低的功耗,可提供更便捷的熱管理。
何為固定比率轉換器?
固定比率轉換器的工作原理與變壓器類似,但它執行的不是 AC-AC 轉換,而是 DC-DC 轉換,輸出電壓為 DC 輸入電壓的固定比例。與變壓器一樣,這種轉換器不提供輸出電壓穩壓,輸入至輸出變壓由器件的“匝數比”決定。該匝數比稱為 K 因數,表示為一個相對于其電壓降壓能力的分數。K 因數從 K=1 到 K=1/72 不等,可根據 PDN 架構及 PoL 穩壓器設計規范進行選擇。

圖A:雙向固定比率轉換器的工作原理。 K=1/16 的降壓換器,也可用作 K=16/1 的升壓轉換器。
典型 PDN 電壓有低電壓 (LV)、高電壓 (HV) 和超高電壓 (UHV)。
固定比率轉換器可以是隔離的,也可以不是隔離的,而且可通過反向電壓轉換實現雙向功率流。例如,一款支持雙向功能的 K=1/16 固定比率轉換器可以作為一款 K=16/1 的升壓轉換器。
額外的設計靈活性包括易于并聯(可滿足更高功率的電源要求)和串聯轉換器輸出的選項(可通過有效改變 K 因數,提供更高的輸出電壓)等。

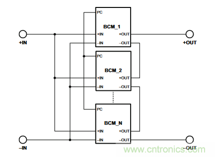
圖 B:BCM 轉換器易于并聯,滿足更高的電源需求。
眾多終端市場及應用的電源需求急劇上升,因此供電網絡正在經歷重大變革。由于新特性的增加以及性能水平的不斷提升,更高的 PDN 電壓(如 48V)正在用于電動汽車、輕型混合動力車以及插電式混合動力汽車。48V 符合許多系統要求的安全電氣低電壓 (SELV) 標準,而 P=V•I 和 PLOSS=I2R 的簡單電源方程式也說明了高壓 PDN 效率更高的原因所在。

圖 C:輸出串連以提高輸出電壓的 BCM 可實現更高的設計靈活性。
對于給定功率級而言,與 12V 系統相比,48V 系統電流為1/4、線路功耗低為1/16 。在 1/4 的電流下,線纜和連接器可以更小、更輕,而且成本也會更低。用于混合動力汽車的 48V 電池功率是 12V 電池的 4 倍,增加的電源可用于動力系統應用,以減少二氧化碳排放,提高燃油里程數并增加新的安全及娛樂特性。
在數據中心機架中增加了人工智能 (AI),使機架電源需求提高到了 20kW 以上,因此12V PDN的使用 既笨重,效率又低。使用 48V PDN,可獲得與混合動力汽車相同的優勢。在汽車及數據中心應用中,最好保留原有 12V 負載及 POL 常用降壓穩壓器,以最大限度減少需要修改的內容。
使用非隔離固定比率轉換器解決實際問題
48V 符合 SELV 標準,因此非隔離固定比率轉換器是 48V 至 12V DC-DC 轉換級的理想之選,因為當前的 PoL 12V 穩壓器能夠應對輸入電壓的變化。非隔離、非穩壓固定比率轉換器是最高效的高功率母線轉換器,可實現更低功耗、更高功率密度以及更低的成本。這一高密度有助于最新分布式配電架構用于混合動力汽車,其中非隔離固定比率轉換器可布置在負載旁邊,因此可在汽車周圍最大限度運行更小、更高效的 48V PDN。在刀片服務器中,這種小型非隔離式 48V 至 12V 固定比率轉換器可以布置在靠近降壓穩壓器的主板上。
許多全新 AI 加速卡(如 NVidia 的 SXM 以及開放式計算計劃 (OCP) 成員的 OAM 卡)都設計有 48V 輸入,因為 AI 處理器功率級在 500 至 750W 之間。要讓依然在其機架中使用 12V PDN 背板的云計算及服務器公司使用這些高性能卡,就需要實現 12V 至 48V 的轉換。在這些加速卡上(或在更高功率的分布式 12V 至 48V 模塊中)增加一款雙向 K=1/4 非隔離固定比率轉換器,作為 12V 至 48V 升壓轉換器 (K = 4/1),可輕松將 AI 功能帶入老式機架系統。

圖 D:原有系統的 48V 電源
Vicor NBM2317 可將 48V 高效轉換為 12V,也可將 12V 高效轉換為 48V,因為 NBM 是一款雙向轉換器。雙向性可將原有電路板整合在 48V 基礎架構中,也可將最新 GPU 整合在原有 12V 機架中。
如何滿足需要隔離功能而且要求苛刻的高電壓應用需求
電動汽車
在電動汽車應用中,電源需求決定了電池電壓必須遠遠高于目前混合動力汽車使用的 48V,通常選擇 400V。400V 轉換為 48V,配送給動力總成及底盤周圍的不同負載。為支持快速充電,400V 電池由提供穩壓 800V DC 輸出的充電站通過 800V 至 400V 轉換器充電。

圖 E:分布式 48V 架構將多個功耗更低的更小轉換器布置在接近 12V 負載的位置。
在 400V/48V 及 800V/400V 應用中,由于功率要求高,可有效地使用具有高功率密度、效率在 98% 以上的隔離式 K:1/8(400/48) 及 K:1/2 (800/400) 固定比率轉換器并聯陣列。穩壓可在固定比率轉換器級前面或者后面提供。未穩壓的功率密度及效率提升,不僅在這一極高功率應用中的這個位置效果顯著,而且還可簡化熱管理。
高性能計算
高性能計算 (HPC) 系統機架功率級通常高于 100kW,因此使用 380VDC 作為主要 PDN。在這些應用中,K:1/8 與 K:1/16 的隔離式固定比率轉換器集成在服務器刀片中或通過機架配電的夾層卡上,為主板提供 48V 或 12V 電源。隨后由 12V 多相降壓轉換器陣列或更高效率的高級 48V 至 POL 架構提供穩壓。固定比率轉換器的密度和效率又一次在實現這類 PDN 架構中發揮重要作用,可實現高性能。
系留無人機
另一項需要隔離的高電壓應用就是系留無人機。系留無人機的電源線長度可能會超過 400 米,無人機必須將其提起并保持,才能達到其飛行高度。使用 800V 等高電壓,可顯著縮減這些笨重電源線的尺寸、重量和成本,從而可實現性能更高的無人機。使用板載固定比率轉換器(一般 K=1/16)轉換至 48V,可提供非常高效的極小供電解決方案,充分滿足機載電子產品及視頻有效載荷的需求。

圖 F:電壓越高,電線就越輕,系留無人機飛得就越高。
5G 通信
現在,全世界的都在提升4G 無線電和天線塔為之前 4G 設備5倍的最新 5G 系統。4G PDN 為 48V,通過線纜從地面電源系統提供。新增 5G 設備,功率級顯著提升,如果 PDN 要保持在 48V 電壓下,那直徑就會非常大,電線就會很重。電信公司正在研究使用 380VDC PDN 的優勢,以顯著縮小線纜尺寸。在升壓模式下使用雙向 K 1/8 固定比率轉換器,地面 48V 電源系統可向塔頂提供 380V 的電源(K:8/1)。4G 和 5G 系統在塔頂使用 380V 至 48V 穩壓轉換器,不僅可獲得 48V 穩壓電源,而且還可通過 380V 細小電線實現更低成本的供電。
固定比率轉換器為高性能應用提供高度靈活的 PDN 設計
高性能電源需求在不斷上升。企業及高性能計算高級系統、通信與網絡基礎設施、自動駕駛汽車以及大量交通運輸應用只是需要更多電源的高增長產業中的幾個。這些市場有一個共同的特點:每個市場都有極大的電力需求,它們都可從高功率密度的小型 DC-DC 轉換器解決方案中獲益,節省空間并減輕重量。電源系統工程師應當把固定比率轉換器作為實現更高性能 PDN 的重要高靈活解決方案,以在整體系統性能方面獲得競爭優勢。
作者 Phil Davies,Vicor 公司全球銷售及市場營銷副總裁
Vicor 是一家領先的全球電源模塊技術公司,始終致力于為電源系統設計人員提供高級、高性能模塊化解決方案,幫助他們應對最艱巨的電源設計挑戰。我們始終站在配電架構、轉換拓撲及封裝技術的最前沿,不斷提高 Vicor 電源模塊的密度、效率和供電能力。此外,我們還可為我們的基礎設施、工業及汽車應用客戶帶來競爭優勢,幫助他們快速推進其獨特的電源系統設計。
推薦閱讀:


