【導讀】便攜式醫療設備硬件設計中相互矛盾的要求對工程團隊來說是一個永遠的挑戰。這些始終開啟的設備不僅要效率高,壽命長,同時還要符合人體工程學設計以提高患者舒適度,特別是在需要24小時佩戴的情況下。相關系統不僅需要提供更高的性能,還應具有堅固的結構和超高的性價比。設計中采用的電源管理集成電路(PMIC)需要利用超低功耗架構,以優化健身跟蹤和醫療可穿戴應用中的測量靈敏度,從而實現高信噪比 (SNR)。
無論是從普通消費者,還是醫療保健的角度來看,移動網絡的日益普及已經成為可穿戴技術發展中最重要的考慮因素之一。最初以運動和健康作為目標市場方向的可穿戴設備,如今在醫療市場中也得到了廣泛應用。新一代醫療可穿戴設備已經集成了一系列微機電系統(MEMS)傳感器,如加速度計、陀螺儀和心率監測器等。隨著時間的推移,還會添加用于確定脈搏變化和皮膚電導等參數的傳感器,但問題是這些傳感器都具有SNR問題。為了順應醫療行業的發展趨勢,設計人員需要尋找新的節能解決方案,并將這些解決方案與更好的降噪技術結合起來。
降低光測量噪聲
各種生物因素都會影響光檢測的準確性,設計工程師一直試圖在提供更好的SNR技術來提高多種應用領域的測量靈敏度。低靜態穩壓器IC通常具有可降低SNR的特性,例如高幅值波紋、低頻波紋和較長的建立時間。
心率是醫療領域的一個重要測量參數,不僅能簡單的反映每分鐘的心跳次數,還可以收集身體運動對于心跳的影響等大量信息,以便對心臟進行監測。一種稱為光電容積脈搏波(PPG)的光學測量方法通過皮下組織中動脈和小動脈的擴張來測量血容量變化,它還可用于確定血液中的氧飽和度 (SPO2)。在醫院里,醫生會在我們的手指上夾上夾子,通過夾子把光注入手指,并在另一側用光電二極管測量穿過手指的光透射變化。要確保連續可靠的心率測量,設計人員還需要解決幾個問題。而操作的有效性還取決于多個因素,例如環境光的影響,LED和光電二極管之間的干擾,可穿戴設備在皮膚上的移動等等。
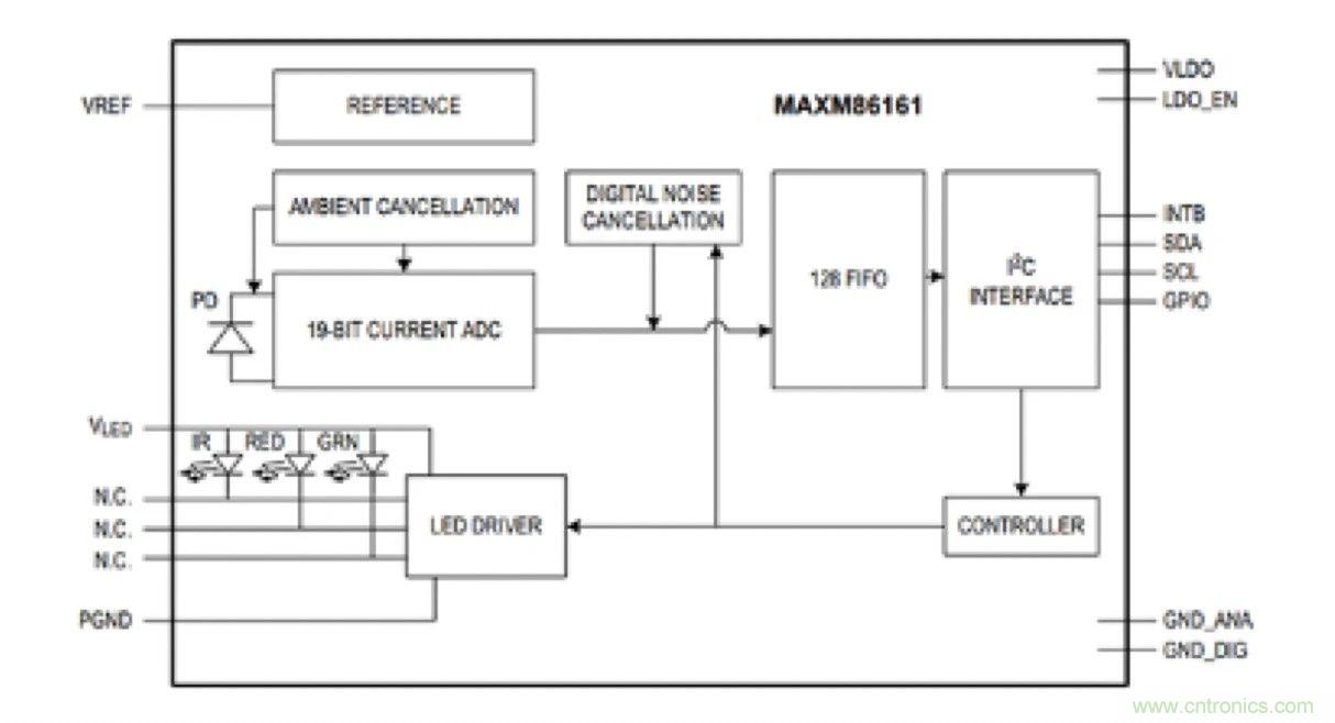
Maxim Integrated的MAXM86161(圖1)是專門針對此類應用的完備的超低功耗單通道、光學數據采集系統。該傳感器主要用于耳內醫療和移動應用,并針對反射心率(HR)、血氧飽和度(SPO2)和心率變異性(HRV)的連續監測進行了優化。
MAXM86161的發射器端具有三個可編程高電流LED驅動器,接收器端包含一個高效PIN光二極管和一路光學讀取通道。光學讀取通道具有一個低噪聲信號調理模擬前端(AFE),由19位ADC和環境光消除(ALC)電路組成,可支持柵欄檢測和替換算法。

圖1: MAXM86161的簡化框圖
優化能源效率是改進光學測量機制的一個限制因素。為了提高效率,采用了新型開關結構代替標準的LDO穩壓器,使用各種電感來提供正確的電源總線電壓。電壓調節元件必須具備較低的高頻紋波,以便不會直接影響心率測量。LED必須在不同于鋰離子電池的電壓范圍內工作。新升降壓變壓器技術的采用不僅可以節省電路板空間,還可以降低功耗。單電感多輸出(SIMO)降壓-升壓結構可以大大減少輸出特定電壓時所需的電感器和IC數量。
通過下一代PMIC實現高效電源管理
隨著個人和遠程監控設備的日益成熟,減小尺寸、精確測量參數和延長電池壽命都變得至關重要??纱┐髟O備的能效優化策略與停機時間管理(即只要有可能,設備必須處于待機模式)息息相關??纱┐髟O備的PMIC需支持非常低的輸入電壓,并采用高能量密度電池架構。
Maxim Integrated的MAX20310是一款緊湊型電源管理集成電路(PMIC),適用于對尺寸和效率要求較高的空間受限電池供電應用。該器件采用單電感多輸出(SIMO)升降壓開關穩壓器,可使用單個電感提供兩個可編程電源軌,大大縮小了尺寸。
MAX20310使用鋅空氣、氧化銀或堿性電池時,電池電壓可降至0.7V。這種結構允許輸出電壓高于或低于電池電壓。MAX20310還包括一個可編程電源控制器,允許器件用于要求真正關斷的應用,或便攜式醫療和可穿戴等始終導通的應用(見圖2)。

圖2: MAX20345的典型應用電路圖
Texas Instruments開發的TPS6572x系列PMIC均集成了電池充電器和高效降壓轉換器,允許使用相對較小的電感和電容,解決方案尺寸更小。TPS65720可提供高達200mA的輸出電流,而TPS657201、TPS657202和TPS65721均能夠提供高達400mA的電流。所有TPS6572xPMIC還集成了一個200mA LDO,其輸入電壓范圍為1.8V~5.6V,因此可以通過降壓轉換器輸出或直接通過系統電壓供電(見圖3)。

圖3: Texas Instruments的TPS6572x在輕負載時可進入節能模式,實現高達92%的效率
結論
先進的便攜式技術可以監測身體活動、收集數據并提供實時響應,這將成為個性化護理的未來,為患者提供更大的便利并能提高醫護人員的工作效率。穿戴式健康監護設備必須具有高精度、高可靠性、易于管理、使用壽命長等特點。通過采用能夠同時滿足功率預算和SNR需求的PMIC,可以生產出所需的監測設備,從而進一步造福社會。
作者:Mark Patrick
Mark于2014年7月加入貿澤電子歐洲團隊,此前曾在Texas Instruments擔任過8年應用支持和技術銷售,并在歐時擔任過高級營銷職務。Mark獲得了考文垂大學電子工程一級榮譽學位。
來源:貿澤電子。
推薦閱讀:






