【導讀】在使用熱敏電阻、RTD或其它阻性溫度傳感器的精密溫度測量應用中,必須注意避免傳感器在激勵電流作用下自熱所引起的誤差。但在一些應用中,自熱效應也能發揮積極作用。下述設計理念理應有效,但尚未經過全面測試。
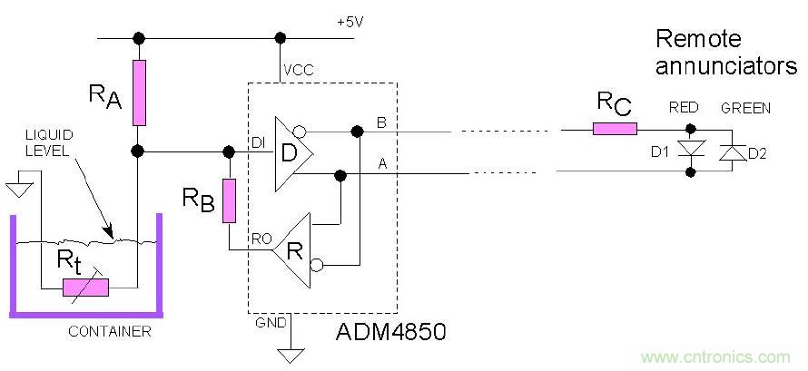
熱敏電阻采用電壓源驅動時會發熱。如果將其浸入冷卻液體中,只要液體溫度保持相對恒定,則熱敏電阻的溫度(因而其電阻)將保持相對恒定。但是,如果液位下降,致使熱敏電阻暴露在外,則液體的散熱效應將消失,熱敏電阻的溫度將上升,其電阻(對于正溫度系數元件)將增大。低成本、半雙工差分線路收發器 ADM4850 很容易檢測出這一情況,并予以提示。當電平提醒信號必須傳輸至LED等遠程報警器時,差分輸出將十分有用。該收發器主要用于多點數據通信,因此其輸出端提供短路保護、熱關斷和壓擺率限制(用于降低電磁輻射)特性。
我們想知道容器中的液體何時高于或低于特定液位。如圖1所示,將一個熱敏電阻置于此液位。浸沒后,該熱敏電阻的電阻相對較低。適當選擇比值Rt/RA,使驅動器輸入端的電壓可視為邏輯0。當沒有液體覆蓋熱敏電阻時,輸入電壓迅速升高,超過輸入閾值電壓,因而可視為邏輯1。如果需要遲滯功能,可以將接收器輸出端通過電阻RB連接到驅動器輸入端。

圖1. 利用熱敏電阻檢測液位何時高于或低于預設閾值。
該電路能否可靠工作,取決于輸入閾值穩定性(數據手冊并未規定),以及越過臨界液位時Rt和RA所產生的電壓偏移。ADM4850(許多批產品、4.75V至5.25V電源電壓、–40°C至+85°C溫度范圍)的特性數據顯示:1.15 V及以下的輸入電壓將被視為邏輯0,1.42 V及以上的電壓將被視為邏輯1。本應用建議使用EPCOS型D1010陶瓷PTC熱敏電阻,它主要用作液位傳感器,其電阻能夠密切跟蹤周圍介質的熱導率變化。一旦達到閾值溫度,此類熱敏電阻的R/T曲線會急劇上升。它采用不銹鋼外殼,能夠抵御惡劣環境中的燃油、溶劑和其它液體腐蝕。
RA值取決于液體和周圍空氣的溫度。最差情況是液體熱而空氣冷。由D1010數據手冊可知,當液體溫度高達+50°C且空氣溫度低至–25°C時,RA標準值909Ω是很好的選擇。室溫下且無激勵時,D1010樣片的電阻測量結果約為149Ω。
工業應用中,某些故障可能會使RA或Rt暴露于破壞性高壓下。對于這種情況,可以考慮使用ADM4850的隔離版本收發器 ADM2483 . 這款半雙工差分總線收發器集成電氣隔離,可耐受1分鐘2.5 kV均方根電壓。驅動該器件的熱端需要使用隔離電源。
推薦閱讀:


