【導讀】開關電源作為產品系統供電核心,在設計電源時需外加保護電路以確保電源穩定供電,其中TVS(瞬態抑制二極管)與MOV(壓敏電阻)尤為關鍵。設計電源外圍電路時MOV和TVS該如何選型?本文為你解答。
在開關電源應用中,為確保開關電源的供電穩定和電源本身的安全,會設計一些外圍電路去保證開關電源在使用過程中不被損壞。這些外圍電路包括浪涌沖擊保護電路、防靜電保護電路、傳導騷擾、脈沖群抗擾電路。本文將對浪涌沖擊保護電路中使用的壓敏電阻MOV和TVS瞬態抑制二極管的使用和選型方法展開論述。
如圖1所示是一個較為完整的EMC推薦電路:包括浪涌保護,傳導騷擾,脈沖群抗擾等電路。

圖1
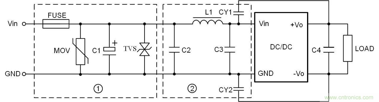
如圖2所示是一個獨立的DC-DC電源防浪涌沖擊、防靜電保護電路。

圖2
壓敏電阻MOV的使用和選型
壓敏電阻應該在其本身額定的參數條件之內工作,否則有可能導致壓敏電阻發熱劣化、甚至擊穿的后果。壓敏電阻的失效模式主要為短路,如果短路時間太長,會發生爆炸、起火、損壞周邊的器件。壓敏電阻具有價格便宜,抗浪涌能力強,電壓范圍大的特點,擁有相當廣泛的運用。總結選型方法有以下幾點可供參考:
1、根據壓敏電壓(UN)的選取
選取壓敏電阻器的時候,首先要考慮到電網或者電路工作電壓的波動幅度,選取壓敏電阻的壓敏電壓時,要留有足夠的余量。還要考慮到連續施加在壓敏電阻兩端的電源電壓,選用壓敏電壓高一點的壓敏電阻,可以降低故障率,延長使用壽命,但也有一個缺點就是殘留的電壓會增大。
2、根據通流量(IP)的選取
壓敏電阻的標稱放電電流應該大于要求承受的浪涌電流或者可能出現的最大浪涌電流。標稱放電電流應該按照壓敏電阻浪涌壽命次數定額曲線中沖擊10次以上的數值進行計算,約為最大沖擊通流量的30%(即0.3IP)左右。
3、根據箝位電壓(VC)的選取
壓敏電阻的箝位電壓必須小于被保護的部件或設備能承受的最大電壓(即安全電壓)。
在直流回路中要求UN≥(1.8~2)Vdc,交流回路中則要求UN≥(2~2.5)Vac,而在信號回路中則需滿足UN≥(1.2-1.5)Vmax。同時在選擇時注意避免殘留電壓過高損壞被保護電路即VC值選擇不能過高。為了解決壓敏電阻在動作后存在過高的殘留電壓VC,在設計電路的時候往往會在MOV之后并聯一個電容和一個TVS管來吸收和卸放殘留電壓確保電路中元器件不被損壞。
TVS瞬態抑制二極管的使用和選型
TVS瞬態電壓抑制器是一種二極管形式的高效能保護器件,具有極快的響應時間和相當高的浪涌吸收能力。當TVS的兩端收到反向瞬態過壓脈沖時,能以極快的速度把兩端的高阻抗變為低阻抗,以吸收瞬間大電流,并將電壓箝制在預定數值,從而有效保護電路中的元器件避免受到損壞。所以TVS瞬態抑制二極管被廣泛應用與浪涌沖擊和防靜電沖擊電路中。下面就如何選型正確的TVS管給出解釋。
TVS瞬態抑制二極管按照極性劃分可分為單極性TVS和雙極性TVS管,如圖3所示為兩種不同TVS管的V-I特性曲線圖:

圖3
TVS瞬態抑制二極管可以在多種電路場合下使用,起到保護電路元器件的作用,總結選型方法有以下幾點可供參考:
1、首先確定被保護電路的最大直流或者連續工作電壓、電路的額定標準電壓和“高端”容限。
2、TVS額定反向關斷VRWM應大于或者等于被保護電路的最大工作電壓。若選用的VRWM太低,器件可能進入雪崩或因反向漏電流太大影響電路的正常工作。
3、TVS的最大箝位電壓VC應小于被保護電路的損壞電壓。
4、在規定的脈沖持續時間內,TVS的最大峰值脈沖功耗PM必須大于被保護電路內可能出現的峰值脈沖功率。在確定了最大箝位電壓后,其峰值脈沖電流應大于瞬態浪涌電流。
5、對于數據接口電路的保護,還須注意選取合適的電容C的TVS器件。
6、根據用途選用TVS的極性及封裝結構。交流電路選用雙極性TVS較為合適,多線保護選用TVS陣列更為有利。
開關電源使用中,浪涌保護電路和防靜電保護電路是必不可少的存在。在設計保護電路的時候往往會把壓敏電阻MOV和TVS瞬態抑制二極管一起使用,從而起到多重保護的作用。如圖2所示就是一種浪涌保護電路和防靜電保護電路。途中輸入和輸出端都使用到了TVS瞬態抑制二極管,輸出使用TVS是為了確保輸出端因靜電或者用電端產生的浪涌電壓導致開關電源輸出端的元器件的損壞。
本文轉載自 ZLG立功科技。
本文轉載自 ZLG立功科技。
推薦閱讀:





