【導讀】TVS(Transient Voltage Suppressor)瞬態電壓抑制器。當兩極受到反向瞬態高能量沖擊時,能以 10 的負 12 次方秒量級的速度,將兩極間的高阻抗變為低阻抗,使兩極間的電壓箝位于一個預定值,有效地保護電子線路中的精密元器件。
一.TVS 管概述
TVS(Transient Voltage Suppressor)瞬態電壓抑制器。當兩極受到反向瞬態高能量沖擊時,能以 10 的負 12 次方秒量級的速度,將兩極間的高阻抗變為低阻抗,使兩極間的電壓箝位于一個預定值,有效地保護電子線路中的精密元器件。在浪涌電壓作用下,TVS 兩極間的電壓由額定反向關斷電壓 VWM 上升到擊穿電壓 VBR,而被擊穿,隨著擊穿電流的出現,流過 TVS 的電流將達到峰值脈沖電流 IPP,同時在其兩端的電壓被鉗位到預定的最大鉗位電壓 VC 以下,其后,隨著脈沖電流按指數衰減,TVS 兩極間的電壓也不斷下降,最后恢復到初態;TVS 管有單向與雙向之分,單向 TVS 管的特性與穩壓二極管相似,雙向 TVS管的特性相當于兩個穩壓二極管反向串聯。
二.其主要特性參數
1、反向截止電壓 VRWM 與反向漏電流 IR:反向截止電壓 VRWM 表示 TVS 管 不導通的最高電壓,在這個電壓下只有很小的反向漏電流 IR。 2、擊穿電壓 VBR:TVS 管通過規定的測試電流時的電壓,這是表示 TVS 管導 通的標志電壓。 3、脈沖峰值電流 IPP:TVS 管允許通過的 10/1000μs 波的最大峰值電流(8/20μs 波的峰值電流約為其 5 倍左右),超過這個電流值就可能造成永久性損壞。在同一個系列中,擊穿電壓越高的管子允許通過的峰值電流越小,一般是幾 A~幾十 A。 4、最大箝位電壓 VC:TVS 管流過脈沖峰值電流 IPP 時兩端所呈現的電壓。 5、脈沖峰值功率 Pm: 脈沖峰值功率 Pm 是指 10/1000μs 波的脈沖峰值電流 IPP 與最大箝位電壓 VC 的乘積,即 Pm=IPP*VC;在給定的最大鉗位電壓下, 功耗 PM 越大,其浪涌電流承受能力越大,在給定的功耗 PM 下,鉗位電壓越 低,其浪涌電流的承受能力越大;另外,峰值脈沖功耗還與脈沖波形,持續時間和環境溫度有關:典型的脈沖波形持續時間為 1ms,當施加到二極管上的脈沖波形持續時間小于 TP,則隨著 TP 的減小脈沖峰值功率增加;TVS 所能承受的瞬態脈沖式不重復的,如果電路內出現重復性脈沖,應考慮脈沖功率的累積可能損壞 TVS。 6、穩態功率 P0:TVS 管也可以作穩壓二極管用,這時要使用穩態功率。 7、極間電容 Cj:與壓敏電阻一樣,TVS 管的極間電容 Cj 也較大,且單向的比 雙向的大,功率越大的電容也越大,極間電容會影響 TVS 的響應時間。 8、峰值電流波形:A、正弦半波 B、矩形波 C 、標準波(指數波形) D、三角 波 TVS 峰值電流的試驗波形采用標準波(指數波形),由 TR/TP 決定。 峰值電流上升時間 TR: 電流從 0.1IPP 開始達到 0.9 IPP 的時間。 半峰值電流時間 TP:電流從零開始通過最大峰值后,下降到 0.5IPP 值的時間。 下面列出典型試驗波形的 TR/TP 值: EMP 波:10ns /1000ns 閃電波:8μs /20μs 標準波:10μs /1000μs
三.優點及缺點
優點:響應速度快(為 ns 級)、瞬態功率大、漏電流低;其 10/1000μs 波脈沖功率從 400W~30KW,脈沖峰值電流從 0、52A~544A;擊穿電壓有從 6、8V~550V 的系列值,便于各種不同電壓的電路使用。 缺點:耐浪涌沖擊能力較放電管和壓敏電阻差; 穩壓二極管:反應較慢;一般用于電壓精度要求高的地方(一般較小),防浪涌,擊穿電壓精準,各壓值檔都有;齊納擊穿; 壓敏電阻:與穩壓二極管相似,但不可恢復;
四.選型依據及注意事項:
1、 TVS 的最大反向鉗位電壓 VC 應小于被保護電路的損壞電壓; 2、TVS 的額定反向關斷電壓 VWM 要大于或等于被保護電路的最大工作電壓, 若選用的 VWM 太低,器件可能進入雪崩或因反向漏電流太大影響電路的正常 工作; 3、 交流電壓只能用雙向 TVS; 4、在規定的脈沖持續時間內,TVS 的最大峰值脈沖功率 PM 必須大于被保護電路可能出現的峰值脈沖功率,在確定了最大鉗位電壓后,其峰值脈沖電流應大于瞬態浪涌電流; 5、結電容是影響 TVS 在高速線路中使用的關鍵因素,在這種情況下,一般用一個 TVS 管和一個快恢復二極管以背對背的方式連接,由于快恢復二極管有較小的結電容,因而二者串聯的等小電容也較小,可以滿足高頻使用的要求; 6、需要考慮降額使用的應用; 應用場合:功率開關電路;整流二極管(與之同向);電源變壓器;防直流電源反接或電源通斷時產生的瞬時脈沖;抑制電機,斷電器線圈,螺線管等感性負載產生的瞬時脈沖電壓;控制系統的輸入輸出端;
使用注意事項:
1、對瞬變電壓的吸收功率峰值與瞬變電壓脈沖寬度間的關系,手冊給的只是特 定脈寬下的吸收功率峰值,實際線路中的脈沖寬度則變化莫測,事前要有估計,對寬脈沖應降額使用; 2、對小電流負載的保護,可有意識地在電路中增加限流電阻,只要限流電阻的 阻值合適,不會影響線路的正常工作,但限流電阻對干擾所產生的電流卻會大大減小,這就有可能選用峰值功率較小的 TVS 管來對小電流負載電路進行保護; 3、對重復出現的瞬變電壓的抑制,要注意 TVS 管的穩態平均功率是否在安全范圍之內; 4、環境溫度升高時要降額使用,TVS 管的引線長短,它與被保護線路的相對距 離;
五.應用舉例
直流電路中選用舉例: 整機直流工作電壓 12V,最大允許安全電壓 25V(峰值),浪涌源的阻抗 50MΩ,其干擾波形為方波,TP=1ms,最大峰值電流 50A。 選擇: 1、先從工作電壓 12V 選取最大反向工作電壓 VRWM 為 13V,則擊穿電壓為 V(BR)=VRWM/0.85=15.3V; 2、從擊穿電壓值選取最大箝位電壓 VC(MAX)=1.30×V(BR)=19.89V,取 VC=20V; 3、再從箝位電壓 VC 和最在峰值電流 IP 計算出方波脈沖峰值功率: PPR=VC×IP=20×50=1000W 4、計算折合為 TP=1MS 指數波的峰值功率,折合系數 K1=1.4, PPR=1000W÷1.4=715W 交流電路選用舉例: 直流線路采用單向瞬變電壓抑制二極管,交流則必須采用雙向瞬變電壓抑制二極管。交流是電網電壓,這里產生的瞬變電壓是隨機的,有時還遇到雷擊(雷電感應產生的瞬變電壓)所以很難定量估算出瞬時脈沖功率 PPR。但是對最大反向工作電壓必須有正確的選取。一般原則是交流電壓乘 1.4 倍來選取 TVS 管的最大反向工作電壓。直流電壓則按 1.1—1.2 倍來選取 TVS 管的最大反向工作電壓VRWM。 TVS 保護直流穩壓電源實例:

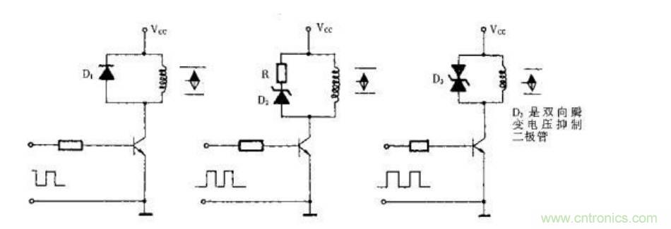
圖中是一個直流穩壓電源,并有擴大電流輸出的晶體管,在其穩壓輸出端加上瞬變電壓抑制二極管,可以保護使用該電源的儀器設備,同時還可圖中是一個直流穩壓電源,并有擴大電流輸出的晶體管,在其穩壓輸出端加上瞬
變電壓抑制二極管,可以保護使用該電源的儀器設備,同時還可以吸收電路中的集電極到發射極間的峰值電壓,保護晶體管,建議在每個穩壓電源輸出端加一個TVS 管,可以大幅度提高整機應用的可靠性;
還有用 TVS 保護晶體管,集成電路,可控硅,功率 MOS 管(在柵源之間加上 瞬變電壓抑制二極管,可防止柵極擊穿),繼電器等; 繼電器的觸點往往用大電流去開關電動機等大電流電感負載,而電感在開關時有很高的反電勢,而且有較大的能量,往往把觸點燒壞或擊穿產生電弧等,必須對觸點采取保護,抑制電弧的產生,以保護繼電器。但是這種電弧產生的浪涌電流很大,過去采用電容或者用電容串聯電阻、二極管、二極管串聯電阻等抑制方案,現在采用瞬變電壓抑制二極管方案效果更好。

推薦閱讀:



