中心議題:
- 屏蔽模式工作原理
- 屏蔽模式電路實現和仿真結果
解決方案:
- 過流保護電路設計
低壓差線性穩壓器(Low-Dropout Vol t a geRegulator,LDO)具有結構簡單、低噪聲、低功耗以及小封裝和較少的外圍應用器件等突出優點,在便攜式電子產品(筆記本、數碼相機等)中得到廣泛應用。
為了讓系統更高效地運行同時又能保證安全工作,我們提出了一種新型過流保護電路的設計方案,通過屏蔽電路屏蔽其過流幅值和持續作用時間在設定范圍內的過流信號,自動保障系統繼續工作;而僅當過流信號的幅值和持續作用時間超過設定范圍時,系統才處于“中斷”狀態,從而能使LDO 更高效和安全地運行。
1 “屏蔽”模式工作原理
LDO 由誤差放大器EA、電壓基準源、功率管、反饋環路、保護電路和負載電路構成。基本電路取樣電壓VFB 加在誤差放大器EA 的同相輸入端,與加在反相輸入端的基準電壓Vre f 相比較,兩者的差值經EA 放大后,控制串聯調整管的壓降,從而穩定輸出電壓。如果負載電流超過限制電流,功率管將在持續大電流的作用下燒毀。電路在過流作用下的工作情況取決于功率管的承受能力,以及過流幅值和持續作用時間。
傳統的過流保護電路由電流感應電路、比較電路以及輸出級組成,分為恒流式過流保護和折返式過流保護。傳統的過流保護電路采用的是“中斷”模式,對于任何過流情況,只要負載電流大于限制電流,都將使LDO 中斷運行。
當負載電流超過限制電流ILIMIT 不太多且持續作用時間不太長時,我們希望過流保護電路能保持LDO 不中斷工作,因此需要采用“屏蔽”模式屏蔽掉部分可以讓LDO 不中斷運行的過流信號,對于過流幅值和持續作用時間超過范圍的過流信號,過流保護電路又能采取中斷LDO 工作的模式。傳統的“中斷”模式電流保護電路工作狀態如圖1(a)所示,分為正常工作區Ⅰ和“中斷”區Ⅱ,當負載電流不超過ILIMIT 時,LDO 工作在正常工作區,當負載電流超過ILIMIT 時LDO 進入“中斷”區。加入“屏蔽”模式后的過流保護電路工作狀態如圖1(b),分為正常工作區Ⅲ、屏蔽區Ⅳ以及中斷區Ⅴ,當負載電流小于ILIMIT 時,LDO 處于正常工作區,當過流信號的幅值在ILIMIT 和最大幅值電流IMAX 之間,持續作用時間在t=tMAX 之內即同時滿足ILIMIT ≤ ILOAD ≤ IMAX,t ≤tMAX 時,LDO 進入屏蔽區,這個范圍之外的過流信號將進入中斷區。對比圖1(a)和(b)可以看出,改進過流保護電路后的LDO 的正常工作區包括圖1(b)的正常工作區Ⅲ和“屏蔽”區Ⅳ,增大了工作區的范圍,提高了LDO 的工作效率。

圖1 過流保護原理圖
包含過流保護電路的LDO整體框圖如圖2所示,虛線左邊是LDO 主體電路,包括誤差放大器、功率管、負載電阻以及分壓電阻。虛線右邊部分為電流保護電路,主要作用是感應并檢測負載電流是否超過限制電流,然后通過控制功率管來決定是否使LDO 中斷運行,包括電流感應電路和控制電路。傳統的過流保護電路只采用圖2 中實框Ⅱ所示的“中斷”模式(不包括虛框),對于任何負載過流情況,不論持續作用時間如何,都使LDO 中斷工作;本文在傳統的“中斷”模式基礎上,增加了“屏蔽”模式(如圖2 中虛框Ⅰ),能有效屏蔽希望LDO不中斷工作的過流信號,使LDO更高效運行,同時保留“中斷”模式,保證LDO 安全工作。

圖2 帶過流保護電路的 LDO 框圖
[page]
2 “屏蔽”模式電路實現
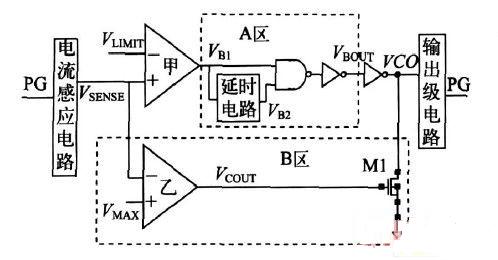
圖3 是改進前后的過流保護電路圖。不加虛框部分是傳統的“中斷”模式過流保護電路,由電流感應電路、比較電路以及輸出級電路組成。電流感應電路采樣功率管電流。采樣得到的電流和限制電流ILIMIT 分別轉化為比較器的兩輸入端電壓VSENSE 和VLIMIT 并進行比較,得到VCO。VCO作用于輸出級電路以控制功率管柵極電壓。如果負載過流,過流保護電路使得功率管柵極電壓PG 為高電平,強行使LDO中斷。

圖3 改進后的電流保護電路圖
如果我們在電路中加入圖3 虛框A 區所示的電路結構,電路將變為“屏蔽”模式電流保護。屏蔽電路由延時電路、或非門構成。比較器甲輸出的信號VB1 經過延時后得到VB2,VB1 和VB2 進行或非運算再經過一次反向后得到屏蔽電路的輸出信號VBOUT。
由于邏輯或運算只能使同時為1 的兩個信號保持不變,因此,可以通過或非門和反相器消除掉延遲時間內的脈沖信號。在過流保護電路中增加屏蔽電路,則可屏蔽掉延遲時間內的過流信號,但如果負載電流太大,可能瞬間燒毀功率管,因此需要相應的關斷電路。當負載電流超過最大限制電流IMAX 時,過流保護電路能不經過延遲直接關斷LDO。
圖3 虛框B 區電路能解決屏蔽時間內大電流可能導致功率管瞬間燒毀的問題,當延遲時間內出現很大過流信號時,能及時關斷功率管,保證系統安全。關斷電路由比較器乙和NMOS 開關管M1 組成。
當過流信號超過最大限制電流IMAX(此時VSENSE>VMAX)時,比較器乙輸出VCOUT 為高電平導致開關管M1 導通,使得VCO 強行為低電平而不受屏蔽電路影響并同步關斷LDO,保證功率管安全。當過流電流不是太大時,比較器輸出電壓VCOUT 為低,開關管M1 不導通,不影響屏蔽電路工作。
圖3 所示的改進電流保護電路能夠實現圖1(b)所期望的“屏蔽”區工作模式。負載電流過流最大持續作用時間tMAX 和最大過流幅值IMAX 即為“屏蔽”區的時間和幅值邊界。實際應用中,功率管能承受的熱功耗和擊穿電流是有限的。最大持續作用時間tMAX 由功率管能承受的熱功耗和散熱性能決定,而功率管的最大擊穿電流確定了過流的最大幅值IMAX。
對于特定的應用需要,通過設定合理的屏蔽時間與最大過流幅值,能使LDO 更高效地運行。
“屏蔽”模式的邏輯關系如圖4 所示,其中VB1和VCOUT 分別為比較器甲和乙的輸出信號,VB1 經過一個延遲時間后輸出信號為VB2,屏蔽電路輸出電壓為VBOUT,VCO為屏蔽電路的輸出端。VB1、VB2和VBOUT的波形反應了屏蔽電路的邏輯關系,只有當VB1 和VB2 同時為高電平,VBOUT 才為低電平,否則VBOUT 一直為高電平,因此屏蔽電路屏蔽了延遲時間內的脈沖信號,保持寬脈沖信號;VCOUT為使能端,只要VCOUT為高電平,VCO 立即變為低電平。

圖4 “屏蔽”電路邏輯關系圖
[page]
3 電路仿真結果
將上述設計原理應用于輸入電壓為5V、輸出電壓3.3V、最大輸出電流500mA、限制電流ILIMIT 800mA的LDO,使用CSMC 0.5 μm BiCMOS 工藝Cadencespectre 仿真工具,分別對改進前后的過流保護電路進行仿真。根據功率管特定的需要,設定延時電路延遲時間tMAX 為20 μ s,最大幅值電流IMAX 為3A。
圖5 中(a)曲線表示負載電流幅值和作用時間的關系,ILIMIT 和IMAX 分別為限制電流和最大幅值電流。圖5 中(b)、(c)和(d)曲線分別為采用傳統“中斷”模式、“屏蔽”模式以及“屏蔽+ 中斷”模式過流保護電路后LDO 的輸出電壓波形。
圖5(b)表示“中斷”模式在所有過流情況時都會關斷LDO。圖5(c)的“屏蔽”模式能屏蔽tMAX內的過流信號,但同時也屏蔽了過流幅值超過IMAX的電流信號,只有在過流持續作用時間大于tMAX 時,LDO 才被關斷。圖5(d)的“屏蔽+ 中斷”模式下,電路只在過流信號持續作用時間小于tMAX 而且幅值不超過IMAX 時屏蔽掉過流信號,對于其他超過ILIMIT的過流信號,都將中斷LDO 運行。通過比較圖5 的(b)、(c)和(d)曲線可以得到,相對于圖5(b)的“中斷”模式,圖5(d)的“屏蔽+ 中斷”模式擴大了工作區范圍,又比圖5(c)的“屏蔽”模式保護電路更安全。傳統屏蔽電路都會在過流之后關斷LDO,我們希望在某些短時且小幅度過流信號下LDO 仍能正常運行。結果表明,設計后的過流保護電路能達到預期效果,保證系統更高效安全地運行。

圖5 LDO 整體電路的瞬態響應
4 結論
在傳統的只采取“中斷”模式的過流保護電路基礎上,本文提出了一種新型過流保護電路設計方案,通過增加“屏蔽”模式,能有效屏蔽在設定最大過流幅值IMAX 和最大持續作用時間tMAX 內的過流信號,而不影響其他過流情況的關斷。通過CSMC0.5μm BiCMOS工藝、Cadence spectre仿真,結果表明,改進后的過流保護電路能有效屏蔽過流幅值和持續作用時間在設定范圍內的過流信號,增加了正常工作區的范圍,使LDO更高效運行,同時保留“中斷”模式,保證LDO 安全工作。




